EasyManua.ls Logo

Yamaha XVS650A - CABLE ROUTING; Cable Routing Instructions Part 8

Yamaha XVS650A
41 pages
Print Icon
To Next Page IconTo Next Page
To Next Page IconTo Next Page
To Previous Page IconTo Previous Page
To Previous Page IconTo Previous Page
Loading...
–16–
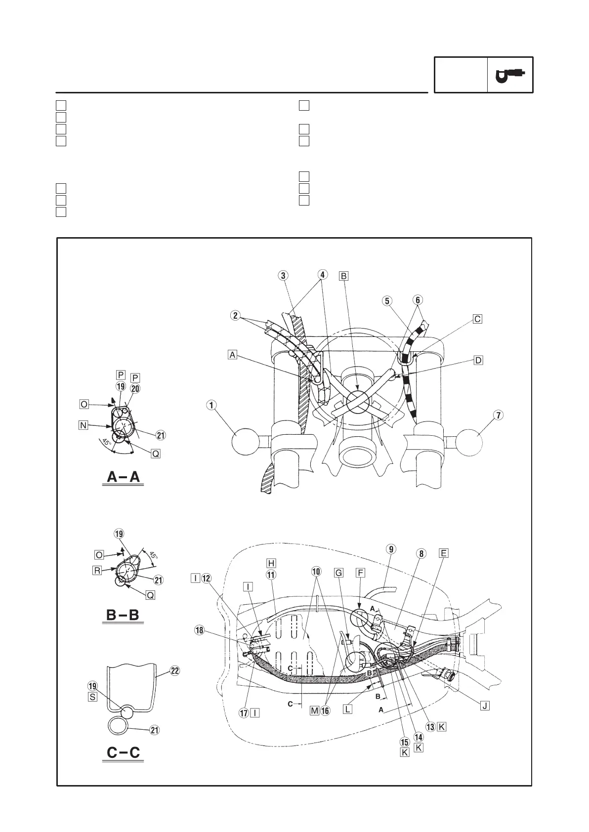
N Fasten the wire harness and throttle position
sensor (TPS) lead with a plastic locking tie.
O Inside the motorcycle.
P Route the wire harness and throttle position sensor
(TPS) lead so they run along the bottom of the
frame tube.
Q Place the end of the plastic locking tie as shown.
R Fasten the wire harness with a plastic locking tie.
S Pass the wire harness between the air filter case
groove and frame.
G To the throttle position sensor (TPS).
H To the carburetor.
I To the fuel tank.
J Pass the neutral switch lead, pickup coil lead and
A.C. magneto lead under the ignition coil lead,
thermo switch lead and throttle position sensor
(TPS) lead.
K From the engine.
L 20 mm
M Pass the thermo switch lead inside of the silencer
breather hose.
CABLE ROUTING
SPEC

Other manuals for Yamaha XVS650A

Related product manuals