EasyManua.ls Logo

Yanmar 2YM15 - Page 122

Yanmar 2YM15
231 pages
Print Icon
To Next Page IconTo Next Page
To Next Page IconTo Next Page
To Previous Page IconTo Previous Page
To Previous Page IconTo Previous Page
Loading...
4. Disassembly and reassembly
102
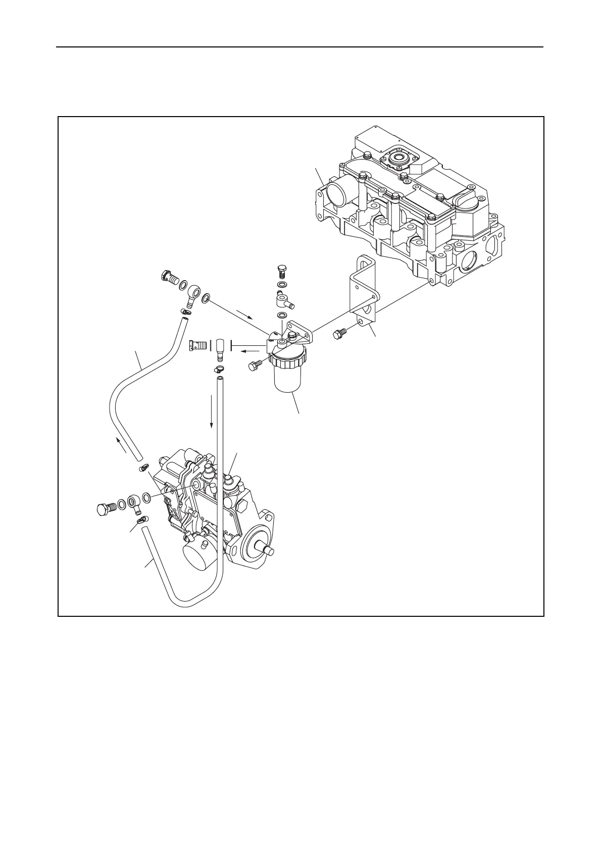
(34) Mounting the fuel filter and fuel pipe
1) Mount the fuel filter on the bracket, which is tightened to the cylinder head.
2) Mount the fuel pipe (fuel feed pump-fuel filter, fuel filter-fuel injection pump).
(35) Electrical Wiring
Connect the wiring to the proper terminals, observing the color coding to make sure the connections are
correct.
(36) Installation in a boat and completion of the piping and wiring
Mount the engine on the engine bed in the engine room of a boat after all engine assembly has been
completed. Connect the cooling water pipes, fuel pipes, other pipes on the boat and the exhaust hoses.
Connect the battery, instrument panel, remote control cable and other wiring.
(37) Filling with lube oil
Fill the engine with lube oil from the filler port on top of the gear case or the rocker arm cover. Fill the
marine gearbox from the filler port on top of the clutch case.
Cylinder head
Bracket
Fuel filter
Fuel pipe
Fuel injection pump
Clamp
Fuel pipe

Table of Contents

Other manuals for Yanmar 2YM15

Related product manuals