EasyManua.ls Logo

Yanmar 2YM15 - Piping Diagrams

Yanmar 2YM15
231 pages
Print Icon
To Next Page IconTo Next Page
To Next Page IconTo Next Page
To Previous Page IconTo Previous Page
To Previous Page IconTo Previous Page
Loading...
1.General
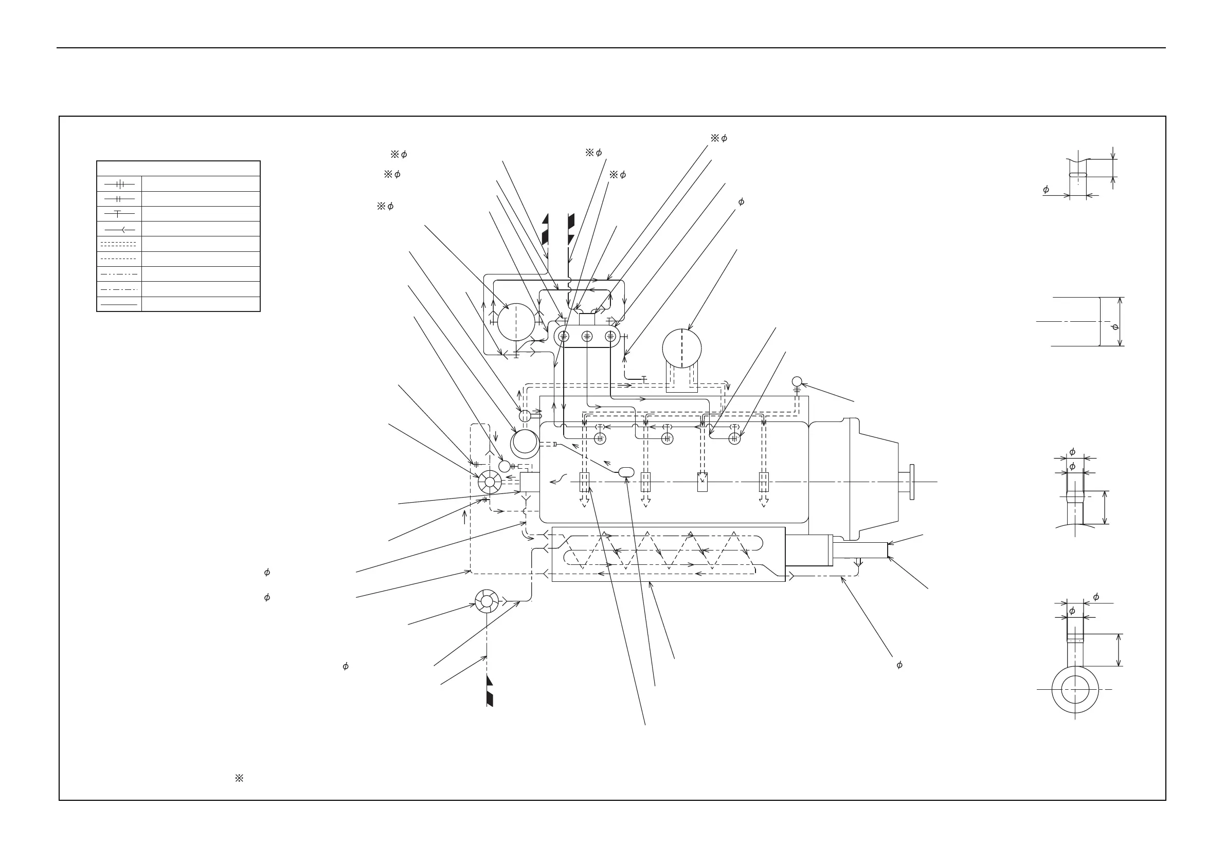
1.5 Piping diagrams
(1) 3YM30/3YM20 (with KM2P-1 marine gear)
Overflow
Fuel oil inlet
Fuel feed pump
Lubricating oil filter (cartridge type)
Mixing elbow
Check valve
C
B
D
P
P
P
P
T
Fuel injection pump
Oil pressure switch
Fresh water cooler
Lubricating oil inlet filter
Main bearing
A
Cooling water pump (seawater)
Cooling water pump (fresh water)
Fresh water temperature switch
Hot water connection outlet (R3/8)
Hot water connection inlet (R3/8)
Thermostat
Lubricating oil pump
Pressure control valve
Fuel oil filter
From
cylinder
head
To cam shaft
8.5
8
16.5
8
9
17
17
18
Detail of part C
50
Detail of part B
Detail of part D
Detail of part A
Screw joint (Union)
Marks of piping
Flange joint
Eye joint
Insertion joint
Drill hole
Cooling fresh water piping
Cooling seawater piping
Lubricating oil piping
Fuel oil piping
To oil pan
Seawater inlet
5 x t4.5
rubber hose
7.8 x t4.5 rubber hose
7.8 x t4.5 rubber hose
7.8 x t4.5 rubber hose
4.76 x t0.7 steel pipe
Fuel high pressure pipe
Fuel injection nozzle
7.8 x t4.5 rubber hose
7.8 x t4.5 rubber hose
28 x t4 rubber hose
28 x t4 rubber hose
17 x t4 rubber hose
17 x t4 rubber hose
Notes
1. Dimension of steel pipe : outer dia. x thickness.
Dimension of rubber pipe : inner dia. x thickness.
2. Fuel rubber pipes (marked ) satisfy EN/ISO7840.
10

Table of Contents

Other manuals for Yanmar 2YM15

Related product manuals