EasyManua.ls Logo

Yanmar 2YM15 - Page 27

Yanmar 2YM15
231 pages
Print Icon
To Next Page IconTo Next Page
To Next Page IconTo Next Page
To Previous Page IconTo Previous Page
To Previous Page IconTo Previous Page
Loading...
1.General
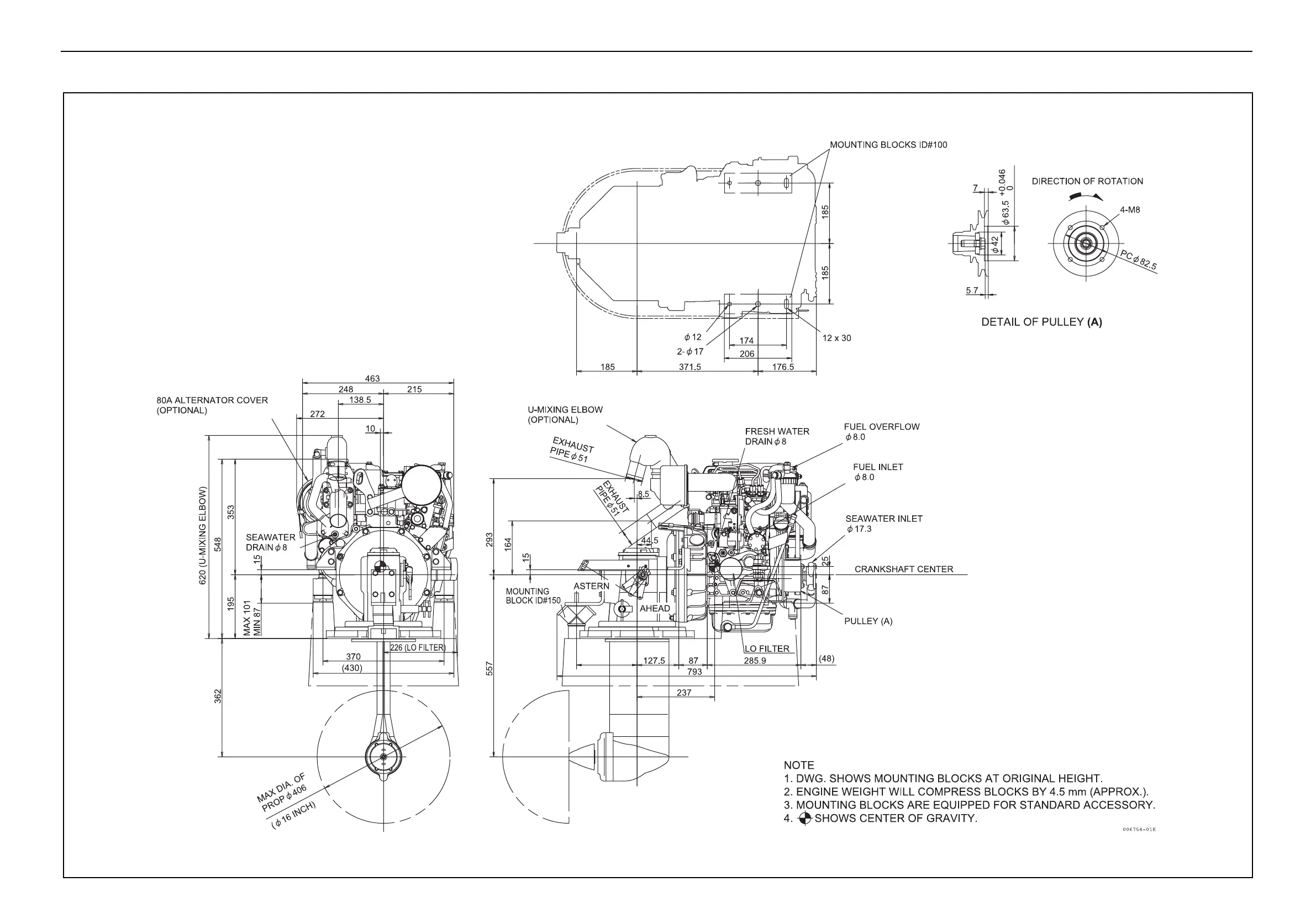
(6) 2YM15C (with SD20 sail drive)
185
9-3R1

Table of Contents

Other manuals for Yanmar 2YM15

Related product manuals