EasyManua.ls Logo

Yanmar 2YM15 - Page 26

Yanmar 2YM15
231 pages
Print Icon
To Next Page IconTo Next Page
To Next Page IconTo Next Page
To Previous Page IconTo Previous Page
To Previous Page IconTo Previous Page
Loading...
1.General
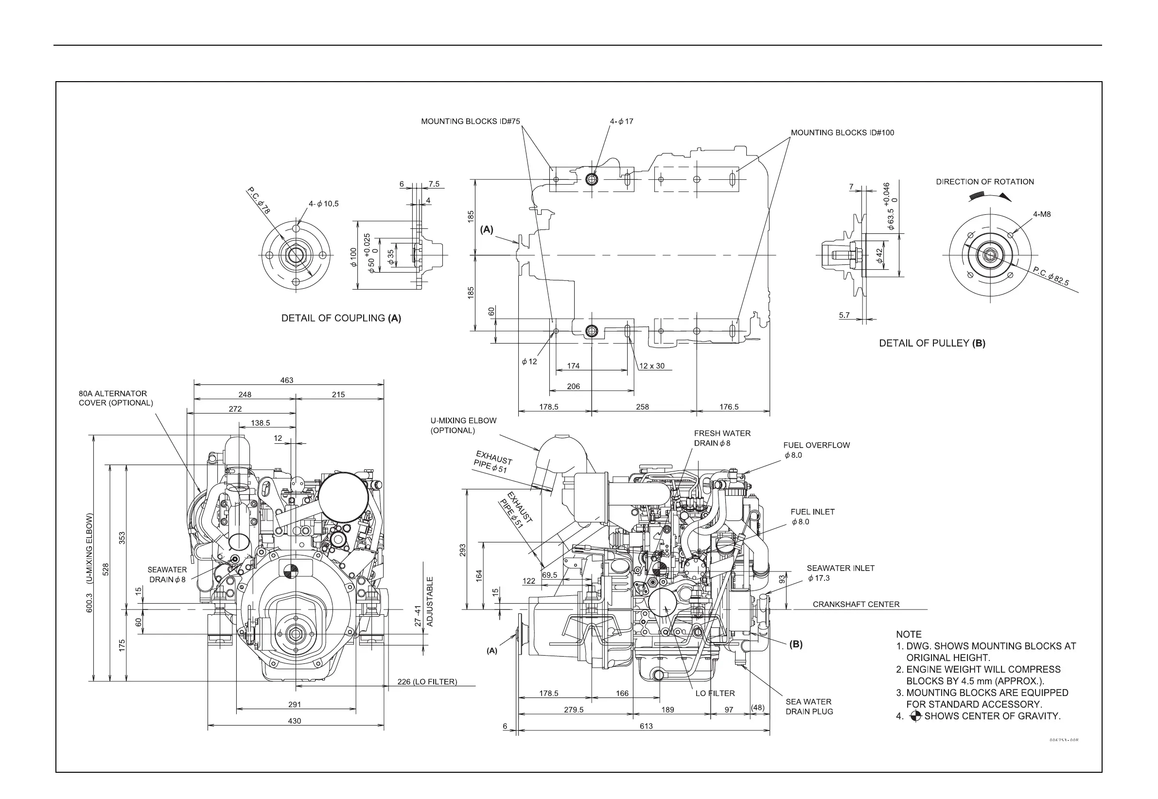
(5) 2YM15 (with KM2P-1 marine gear)
9-2R1

Table of Contents

Other manuals for Yanmar 2YM15

Related product manuals