EasyManua.ls Logo

Yanmar 2YM15 - Page 25

Yanmar 2YM15
231 pages
Print Icon
To Next Page IconTo Next Page
To Next Page IconTo Next Page
To Previous Page IconTo Previous Page
To Previous Page IconTo Previous Page
Loading...
1.General
9R1
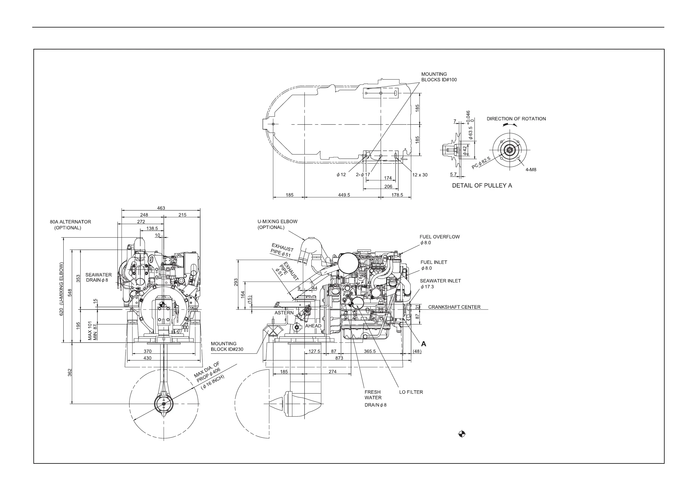
(4) 3YM20C (with SD20 sail drive)
NOTE
1. DWG. SHOWS MOUNTING BLOCKS AT ORIGINAL HEIGHT.
2. ENGINE WEIGHT WILL COMPRESS BLOCKS BY 4.5 mm (APPROX.).
3. MOUNTING BLOCKS ARE EQUIPPED FOR STANDARD ACCESSORY.
4. SHOWS CENTER OF GRAVITY.
007018-00E

Table of Contents

Other manuals for Yanmar 2YM15

Related product manuals