EasyManua.ls Logo

YASKAWA E7 - Page 10

YASKAWA E7
21 pages
Print Icon
To Next Page IconTo Next Page
To Next Page IconTo Next Page
To Previous Page IconTo Previous Page
To Previous Page IconTo Previous Page
Loading...
Electrical Installation 2 - 9
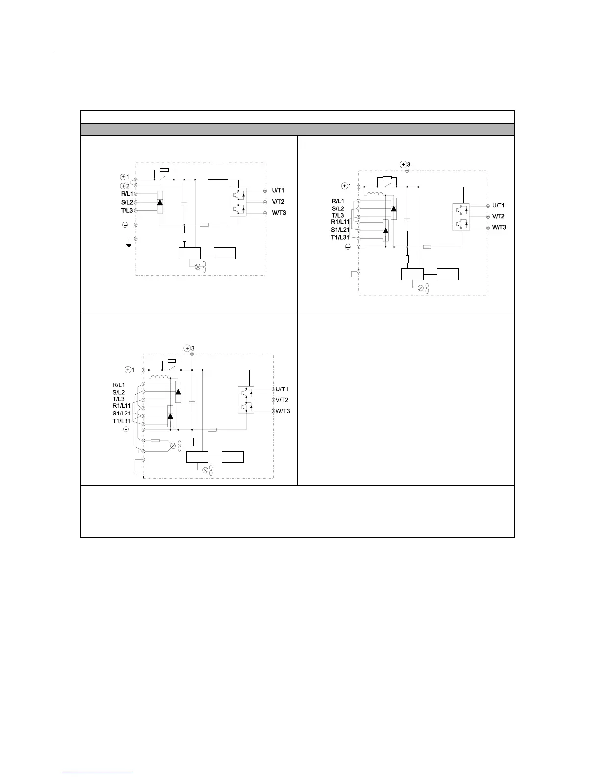
Main Circuit Configurations 208-240Vac
The 208-240Vac main circuit configurations of the Drive are shown in Table 2.4.
Table 2.4 Drive Main Circuit Configurations
208-240 VAC
---
Note1. Input fuses or molded case circuit breakers are required for proper branch circuit protection for all Drives. Failure
to use recommended fuses/circuit breakers (See Appendix E) may result in damage to the wiring, Drive and/or
personal injury.
2. Control power is supplied internally from the main circuit DC power supply for all Drives.
3. Consult your Yaskawa representative before using 12-pulse rectification.
Power
supply
Control
circuits
{
1
Note
CIMR-_ _ _ 20P4 to 2018
(1/2 Hp to 25 Hp)
Power
supply
Control
circuits
{
Notes
1 & 3
CIMR-_ _ _ 2037 to 2110
(50 Hp to 150 Hp)
Power
supply
Control
circuits
{
Notes
1 & 3
CIMR-_ _ _ 2022 and 2030
(30 Hp to 40 Hp)

Related product manuals