EasyManua.ls Logo

YASKAWA E7 - Page 11

YASKAWA E7
21 pages
Print Icon
To Next Page IconTo Next Page
To Next Page IconTo Next Page
To Previous Page IconTo Previous Page
To Previous Page IconTo Previous Page
Loading...
Electrical Installation 2 - 10
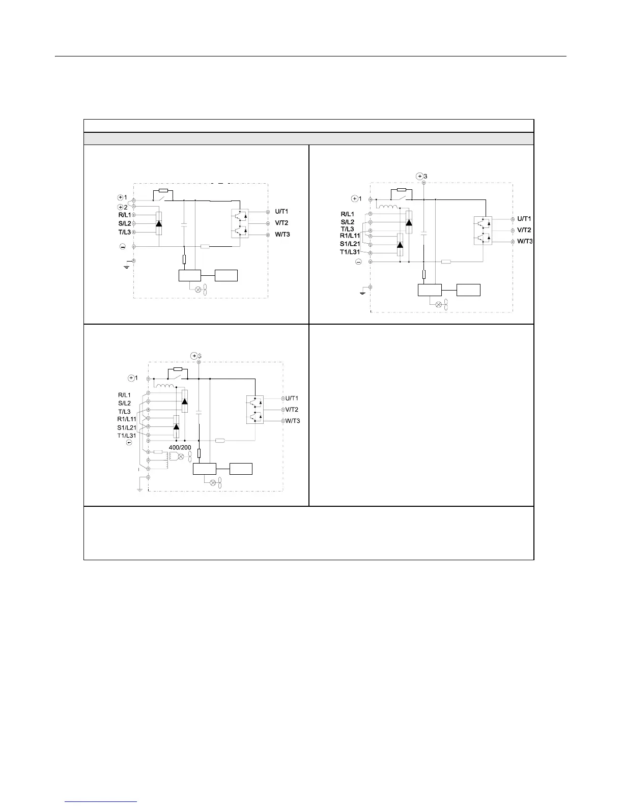
Main Circuit Configurations 480Vac
The 480Vac main circuit configurations of the Drive are shown in Table 2.5.
Table 2.5 Drive Main Circuit Configurations
480 VAC
---
Note1. Input fuses or molded case circuit breakers are required for proper branch circuit protection for all Drives. Failure
to use recommended fuses/circuit breakers (See Appendix E) may result in damage to the wiring, Drive and/or
personal injury.
2. Control power is supplied internally from the main circuit DC power supply for all Drives.
3. Consult your Yaskawa representative before using 12-pulse rectification.
Power
supply
Control
circuits
{
Note
1
CIMR
-_ _ _
4024
to
40
55
(40 Hp to 100 Hp)
Power
supply
Control
circuits
{
Notes
1 & 3
Power
supply
Control
circuits
{
Notes
1 & 3
3
CIMR-_ _ _ 4075 to 4160 and CIMR-_ _ _ 4185 to 4300
(125 Hp to 500 Hp)
CIMR-_ _ _ 40P4 to 4018
(1/2 Hp to 30 Hp)

Related product manuals