EasyManua.ls Logo

YASKAWA motoman NX100

YASKAWA motoman NX100
405 pages
To Next Page IconTo Next Page
To Next Page IconTo Next Page
To Previous Page IconTo Previous Page
To Previous Page IconTo Previous Page
Loading...
7.3 CPU Unit
7-14
" System I/O Signal Related to Start and Stop
The following signals are system I/O signals related to start and stop.
• Servo ON (depending on application: JANCD-NIO01)
• External Servo ON (common to all application: System input terminal block MXT)
• External Start (depending on application: JANCD-NIO01)
• Operating (depending on application: JANCD-NIO01)
• External Hold (common to all application: System input terminal block MXT)
• External Emergency Stop (common to all application: System input terminal block MXT)
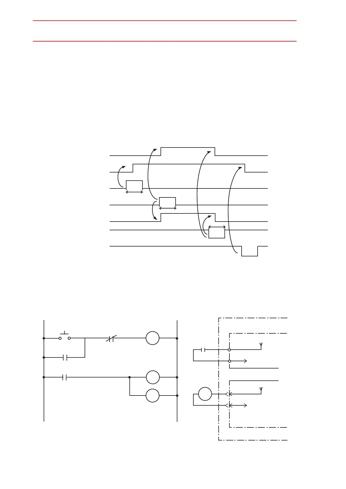
Example of Servo ON Sequence Circuit from External Device
Only the rising edge of the servo ON signal is valid. This signal turns ON the manipulator
servo power supply. The set and reset timings are shown in the following.
<Timing!Chart>
RUN
STOP
ON
OFF
ON
OFF
ON
OFF
ON
OFF
ON
OFF
ON
OFF
Manipulator
While!Servo!ON
Servo!ON
External!Start
Operating
External!Hold
Ext.!E-Stop
T
T
T
Note:!Set!T=100msec!or!more
X1
PL:!Pilot!Lamp
Note:!!Number!in!(!!!!)!means!output!signal!number!assigned!to!NIO01.
NX100
System!Input!Terminal
Block!(MXT)
+24VU
+24VU
Servo!ON!
!!Output
!!(30011)
External!Servo
!!!!ON!Input
!!(EXSVON)
Robot!I/F!Unit
JZNC-NIF01
MXT
CN09
-29
-30
-A8
-A18
Servo!ON!PB
Servo!ON
Confirmation
X2
Servo!ON
Command
X1
Servo!ON
Confirmation
Servo!Power!ON
X3!(30011)
X2
PL
X3
Servo!Power!ON
X1
Servo!ON
Command

Other manuals for YASKAWA motoman NX100

Related product manuals