EasyManua.ls Logo

YASKAWA motoman NX100

YASKAWA motoman NX100
405 pages
To Next Page IconTo Next Page
To Next Page IconTo Next Page
To Previous Page IconTo Previous Page
To Previous Page IconTo Previous Page
Loading...
7.3 CPU Unit
7-16
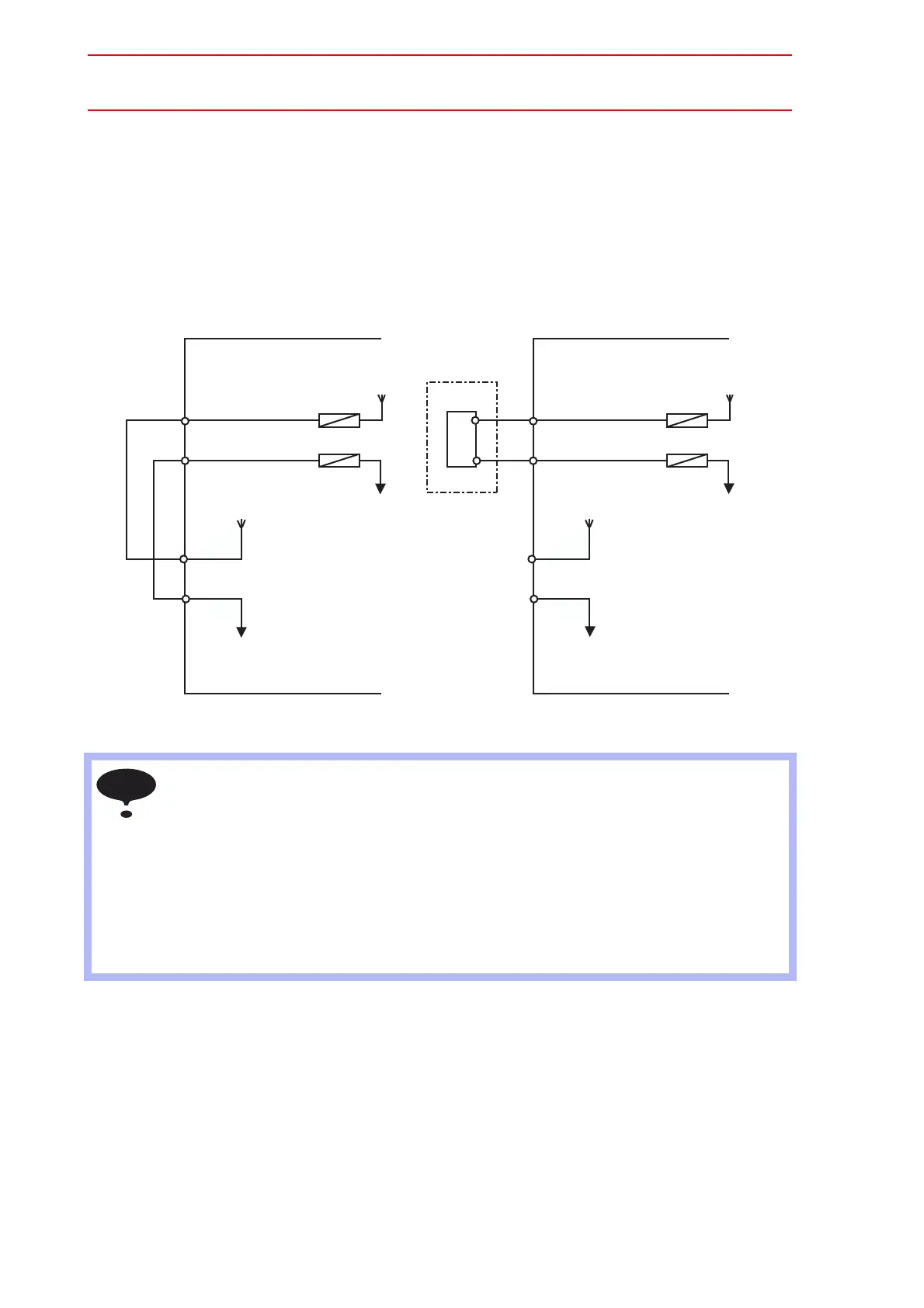
" Connection of External Power Supply for I/O
At factory setting, the internal power supply for I/O is used. If the external power supply for I/O
is used, connect it with following procedure.
1. Remove the wire connected between CN12-1 to -3 and CN12-2 to -4 of the robot I/F
unit.
Connect +24V of the external power supply to CN12-1 and 0V to CN12-2 of the robot
I/F unit.
• The internal power supply of 24V of about 1A of NX100 can be used for I/O.
Use external 24V power supply for higher currents and to isolate the circuit inside and
outside the NX100.
• Power supply circuit for I/O (+24 VU, 024 VU) has 3A fuses (FU1, FU2).
• Install the external power supply outside the NX100 to avoid electric noise problems.
• If the internal power supply is selected and the external power supply is connected to
CN12-1 to -3 and CN12-2 to -4, do not connect the line of the external power supply to
the +24VU and 0VU terminals. The unit may malfunction if the external power supply is
also connected.
Robot!I/F!unit!(JZNC-NIF01)
CN12
-1!(EX24VIN)
-2!(EX024VIN)
-3!(+24V)
-4!(024V)
+24VU
024VU
In!case!using!internal!power!supply
Robot!I/F!unit!(JZNC-NIF01)
CN12
-1!(EX24VIN)
-2!(EX024VIN)
-3!(+24V)
-4!(024V)
+24VU
024VU
External!
Power!Supply
+24V
0V
In!case!using!external!power!supply
FU1
FU2
3A
3A
+24V
024V
(Ready!by!Customer)
FU1
FU2
3A
3A
+24V
024V
NOTE

Other manuals for YASKAWA motoman NX100

Related product manuals