EasyManua.ls Logo

YASKAWA YASNAC J50

YASKAWA YASNAC J50
180 pages
To Next Page IconTo Next Page
To Next Page IconTo Next Page
To Previous Page IconTo Previous Page
To Previous Page IconTo Previous Page
Loading...
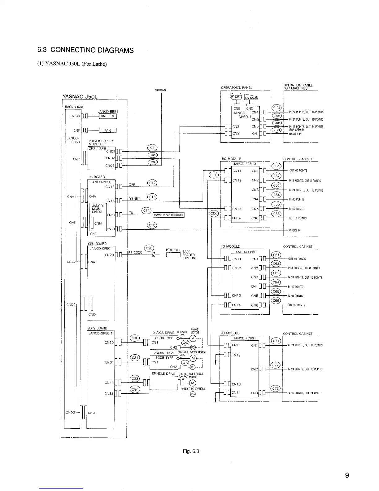
6.3 CONNECTING DIAGRAMS
(1) YASNAC J50L (For Lathe)
~NAc-J50L
-— -—
ACK B
CNE
c
JANC
BE
cl
CNAI
CNF
ZNA2
:ND1
;ND2
J
JANCD BB51
IE1----i
BATTERY
IC---i
FAN
1
POWER SUPPLY
MOOULE
a
CPS.18FB
CNO1 ~
CN02 D
CN03 r+
PC BOARD
D
JANCD PC50
CN12 ~
CNA
CN13 ~
n
~Aif$D
10~lON)
CN1l }
D
CNM
CN1O ~
CNF
CPU BOARD
r
JANCD CP50
CN2(
CNA
o
CNO
[
cl-
,Xls 80AR0
7
ANCD.SR50. 1
CN30 ~
CN31
I
E
ND
OPERATORS PANEL
OPERATION PANEL
200VAC
FOR MACHINES
.—
I
pp & -~ ~-
-a--l-J
[/0 MODULE
CONTROL CABINET
J p~=’mr-
CN 1
OUT40 PUNTS
,N2 ‘iii
IN 8 FOINTS,OUT8 FONTS
CN3 @‘
+&f
IN24 POINTS,OUT 16 POINTS
ENET @
CN4 ‘m ,N40M,NT,
@
u @l,owER,NpuT,EouENcE,
@, q CN’3 :;; ,@
IN 40 POINTS
CN14
OUT32 FONTS
@
—.—.
DIRECT
IN
S 232C
@ p~R TYPE ,APE
READER
= (OPTION)
II
L. —-—
Kfl
1/0 MODULE
CONTROL CAB! NET
a
JANCD. EC860
C61
CN1l
CN12
::; ‘@‘ ;:I;::UT8WINTS
U
CN3 @
IN 24 FtlNTS, OUT 16POINTS
,N4 ‘e ,NWPO,NTS
CN13
Zt
CN5 B
?
CN14
CN6 ‘*‘ :;:::Ts
d-t
L.—
.—. J L.
1/0 MODULE
CONTROL CABINET
+
JANCD ?C861
F
.— .—
CN1 a
[- ]h
CN1l
IN 24 POINTS,OUT16 POINTS
r
CN12
,N2 @~
IN 24 POINTS,OUT16 POINTS
/+
CN13
ill
:.:.*:Y:Y
Fig. 6.3
9

Related product manuals