EasyManua.ls Logo

YASKAWA YASNAC J50

YASKAWA YASNAC J50
180 pages
To Next Page IconTo Next Page
To Next Page IconTo Next Page
To Previous Page IconTo Previous Page
To Previous Page IconTo Previous Page
Loading...
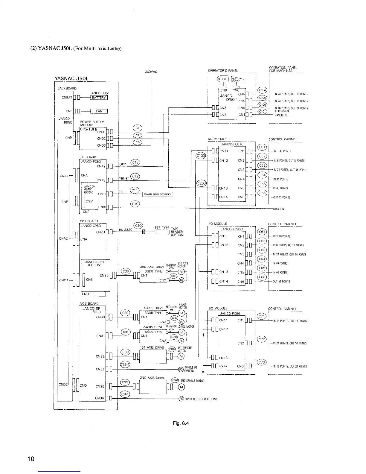
(2) YASNAC J50L (For Multi-axis Lathe)
200VAC
YASNAC-J50L
--— ___
I
OPERATOR’S PANEL
OPERATION PANEL
FOR MACHINES
~.p.—.
7
~.—.—
I e- I
CN
AN(
B
(
ZNA
CN
:NA
:ND
:ND
I
\CKBOARD
JANCD !3B51
ICt---l
BATTERY
IH
FAN
I
Imd=+#
1
I
I II
~j
CNA
CN13
JANCD-
MM51
(OWION)
CN1l
!
CNM
CN1O
CNF
2 --.H
CN1l
PC BOARD
,mQ lop’ @
CN12
::: W::I:::UT8POINT$
ti
CN3 @
IN 24 POINTS,OUT16 POINTS
c)
& YENET c“
CN4 ‘@’ ,N40POINT,
@
n
@
~ ‘T. @ ,POwERINPuTs,OUEN~ ‘+ CN’3 :; ~% ‘N40m’NTs
CN14
n
-w
OUT32 POINTS
@
DIRECT1“
?20-$:~~
F
JANCD-SR51
(OPTION)
OCNE c“” P=
1/0 MOOULE
4-
CONTROL CABINET
~-7d_
@’ ;
l----v
If~
1/0 MOOULE
CONTROL CABINET
r
“c~*:4=--
CN1l
ti
C62
CN12
N 8 POINTS,OUT8 POINTS
CN3 @
IN 24 POINTS,OUT 16POINTS
CN4 ‘@‘ ,N40,01NTS
CN13
a
CN5 @ ,N40POINT,
-% CN14 ‘B’
CN6 n~ow 32 POINTS
1/0 MODULE
CONTROL CABINET
4-
JANCD-~C8~:1 ‘lo r-—-–
CN1l
IN 24 POINTS,OUT16 POINTS
~~–-~
CN12
,N, @
IN 24 PilNTS, OUT 16 POINTS
1P
1ST AXIS ORIVE @ /jlX~NOLE
CN33
‘: n~ +jcN’ ,N3~Dl@~
CN32
SPINDLEPG
P
CN14
IN 16 POINTS,OUT24 POINTS
pG (OPTION)
4$=--RPINDLEP:(:---”” ‘----
‘No‘x’s‘“v’ @
2NDSPINDLEMOTOR
L--
Fig. 6.4

Related product manuals