EasyManua.ls Logo

YOKOGAWA DY150

YOKOGAWA DY150
138 pages
To Next Page IconTo Next Page
To Next Page IconTo Next Page
To Previous Page IconTo Previous Page
To Previous Page IconTo Previous Page
Loading...
4-7
IM 01F06A00-01E
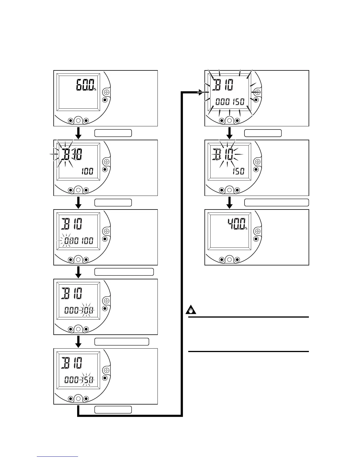
4. BASIC OPERATING PROCEDURES
4.4.2 Method of Parameter Setting
Input method of numeric data
Example 1: Change the span from 100m
3
/h to 150m
3
/h
The setting mode can be changed referring 5.3 parameter list
SET
INCSHIFT
SET
INCSHIFT
SET
INCSHIFT
SET
INCSHIFT
SET
INCSHIFT
SET
INCSHIFT
SET
INCSHIFT
SET
INCSHIFT
F040402.EPS
Press “ SET ” key.
Press “ SET ” key.
Press “ SHIFT ” key any time.
Press “ INC ” key any time.
Press “ SET ” key.
Press “ SET ” key.
Press “ SET ” and “ SHIFT ” key.
Indication of % flow
rate.
Enter to the setting
mode.
(Span number is
“ B10 ”)
Enter to data number
item.
Move the position to
input the data.
Set “ 5 ” and indicate
“ 150m
3
/h ”.
Ensure the setting
data.
Complete the Setting.
Return to display
mode.
IMPORTANT
After setting a parameter, keep the power on for at
least 30 seconds.
If the power of flowmeter is turned off, a parameter
setting is released.

Table of Contents

Related product manuals