EasyManua.ls Logo

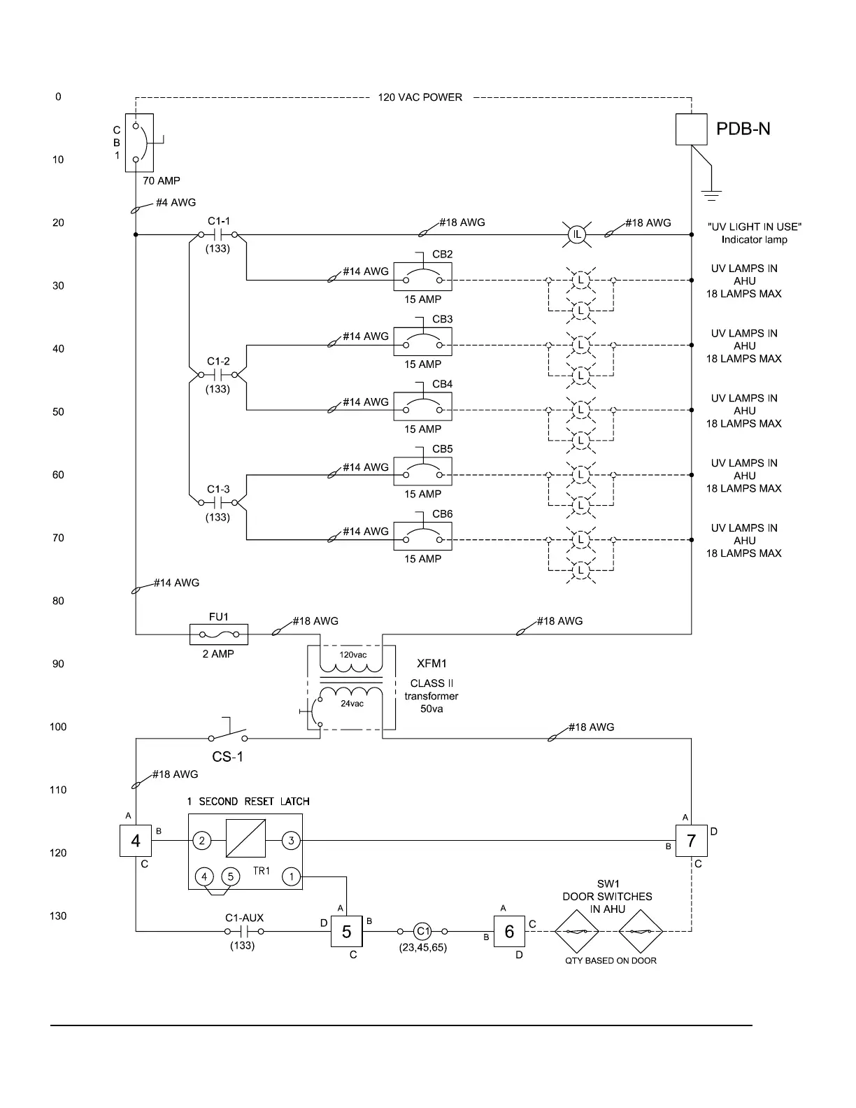
York AHU - FIGURE 101 - UV Control Panel Wiring ( Greater than 8 Amps)

York AHU
118 pages
Print Icon
To Next Page IconTo Next Page
To Next Page IconTo Next Page
To Previous Page IconTo Previous Page
To Previous Page IconTo Previous Page
Loading...
JOHNSON CONTROLS
100
FORM 102.20-OM2
ISSUE DATE: 6/01/2015
SECTION 5 - WIRING DIAGRAMS
FIGURE 101 - UV CONTROL PANEL WIRING ( GREATER THAN 8 AMPS)
LD16609

Table of Contents

Related product manuals