EasyManua.ls Logo

York AHU - Full Voltage Starter Wiring

York AHU
118 pages
Print Icon
To Next Page IconTo Next Page
To Next Page IconTo Next Page
To Previous Page IconTo Previous Page
To Previous Page IconTo Previous Page
Loading...
JOHNSON CONTROLS
88
FORM 102.20-OM2
ISSUE DATE: 6/01/2015
SECTION 5 - WIRING DIAGRAMS
X2
FU1 FU1
208/230/380/460VAC
3 PHASE INPUT
M1
X2
OL1
6 7
FU2
CONNECTION DIAGRAMS
SEE TRANSFORMER
FOR PROPER
X1 CONNECTIONS
2L2 2L3
T1
2
CLOCK
FREEZESTATFIRESTAT
X2
L1
L3
L2
NOTE: CUSTOMER SUPPLIED
DISCONNECT MUST MEET
LOCAL CODES.
SAFETIES
50/60 HZ
J
REMOVE JUMPER WHEN
CONNECTING SAFETIES
2
5
SS1
XOO
OOX
OFF
HAND AUTO
CONTROL POWER
OPTION
PANEL
OR
LTC
OPTION
2
CONTROL
POWER
UP TO (4)
100VA TRANS.
LOW TEMP.
RESET
PDTB
1
PANEL
OPTIONAL
3 PHASE INPUT
L1
208/230/380/460VAC
DISCONNECT
OPTIONAL
LOCAL CODES.
NOTE: CUSTOMER SUPPLIED
50/60 HZ
L3
L2
DISC1
3 PHASE INPUT
50/60 HZ
208/230/380/460VAC
NOTE: CUSTOMER SUPPLIED
LOCAL CODES.
FUSED DISCONNECT
OPTIONAL
L3
L2
DISC1
L1
FU3
A
A
L2 L3
A,B
14
J
BC
A
A,B
B
B
A,BCC
B
M120 21
WIRED IN YELLOW
OPTION
RUN/TIME
DISCONNECT MUST MEET
DISCONNECT MUST MEET
AB
B A
A
C
1 2
1 2
38
1
2
3
4
6
7
8
1 2
9
8
M1
MOTOR
3PH
T3
T2
OL1
T1
ALTERNATE OL1 - USED WITH CT1,2,3 WHEN MOTOR
FLA. IS GREATERTHAN 80 AMPS.
- TERMINAL POINT
- REMOTE DEVICE (BY OTHERS)
ALTERNATE OL1
OL1
CT3
CT2
CT1
M1
MOTOR
3PH
NOTES:
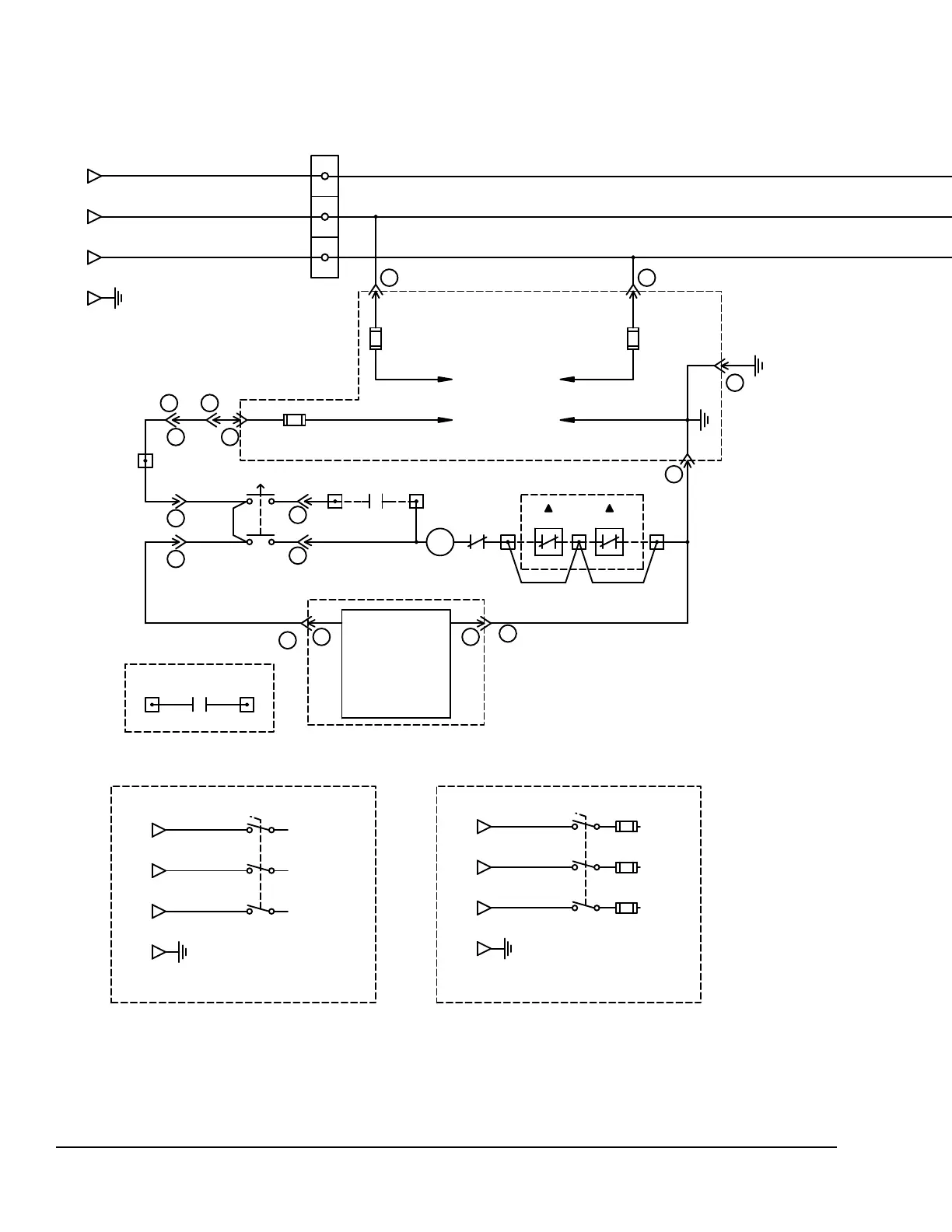
FIGURE 93 - FULL VOLTAGE STARTER
LD09683

Table of Contents

Related product manuals