EasyManua.ls Logo

York AHU - Controls

York AHU
118 pages
Print Icon
To Next Page IconTo Next Page
To Next Page IconTo Next Page
To Previous Page IconTo Previous Page
To Previous Page IconTo Previous Page
Loading...
JOHNSON CONTROLS
91
SECTION 5 - WIRING DIAGRAMS
FORM 102.20-OM2
ISSUE DATE: 6/01/2015
5
X2
FU1 FU1
208/230/380/460VAC
3 PHASE INPUT
FU2
CONNECTION DIAGRAMS
SEE TRANSFORMER
FOR PROPER
X1 CONNECTIONS
2L2 2L3
T1
L1
L3
L2
NOTE: CUSTOMER SUPPLIED
DISCONNECT MUST MEET
LOCAL CODES.
50/60 HZ
2 1
A
A
L2 L3
DISC
FU2
1 X2
CONNECTIONS
FOR PROPER
SEE TRANSFORMER
CONNECTION DIAGRAMS
2L2
X1
FU1
L2
FU1
T1
2L3
L3
C
ABC
AB
B
GFI
B
ABD
2KVA
AC
S
N
AAAAB
B
L
SWITCH
LIGHT
SERVICE
2KVA
TRANSFORMER
TRANSFORMER
150VA OR 500VA
LINE
LOAD
PANEL
OPTION
WIRED IN YELLOW
OPTIONAL
M2
22
2
23
BC
2
SS1
XOO
B
A,B
AUTOHAND
OFF
OOX 5
X2148
M1
OR
OPTION
LTC
PANEL
OPTION
A,B
CONTROL POWER
6
B
LOW TEMP.
RESET
B
CONNECTING SAFETIES
REMOVE JUMPER WHEN
J J
CLOCK
RUN/TIME
A
SAFETIES
FREEZESTATFIRESTAT
OL1
UP TO (4)
POWER
CONTROL
X2
A,B
100VA TRANS.
E
AA
C
E
E
B A
AB
21
3
7
6
8 1 2 9
1 3
4
6
7
1 2
1 2
38
X2
A,BA
2
E E
M2
102 XOO
A,BDE
SS1
6
B B
A
AUTO
OOX
CD
HAND
OFF
5
9
CLOCK
RUN/TIME
OL2
SUPPLY
FAN
FAN
RETURN
7
20 M1 21
- TERMINAL POINT
- REMOTE DEVICE (BY OTHERS)
NOTES:
M1
MOTOR
3PH
2T3
2T2
OL1
2T1
ALTERNATE OL1 - USED WITH CT1,2,3 WHEN MOTOR
FLA. IS GREATERTHAN 80 AMPS.
ALTERNATE OL1
OL1
CT3
CT2
CT1
M1
MOTOR
3PH
DISC2
FU3
M2
MOTOR
3PH
2T3
OL2
2T2
2T1
DISC3
FU4
THAN 60 AMP.
ARE GREATER
USED WHEN FUSES
SUPPLY FAN
RETURN FAN
SUPPLY FAN
ALTERNATE OL2 - USED WITH CT4,5,6 WHEN MOTOR
ALTERNATE OL2
FLA. IS GREATERTHAN 80 AMPS.
OL2
CT6
CT5
M1
CT4
MOTOR
3PH
SUPPLY FAN
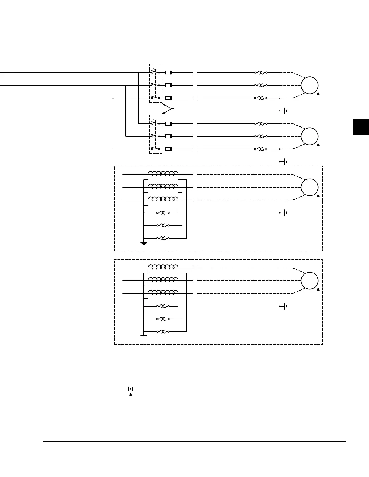
FIGURE 94 - FULL VOLTAGE STARTER WITH SINGLE POINT POWER CONNECTION (204195) (CONT'D)
LD09684

Table of Contents

Related product manuals