EasyManua.ls Logo

York AHU - FIGURE 36 - Typical Wiring Diagram

York AHU
118 pages
Print Icon
To Next Page IconTo Next Page
To Next Page IconTo Next Page
To Previous Page IconTo Previous Page
To Previous Page IconTo Previous Page
Loading...
JOHNSON CONTROLS
44
FORM 102.20-OM2
ISSUE DATE: 6/01/2015
SECTION 2 - START-UP AND OPERATION
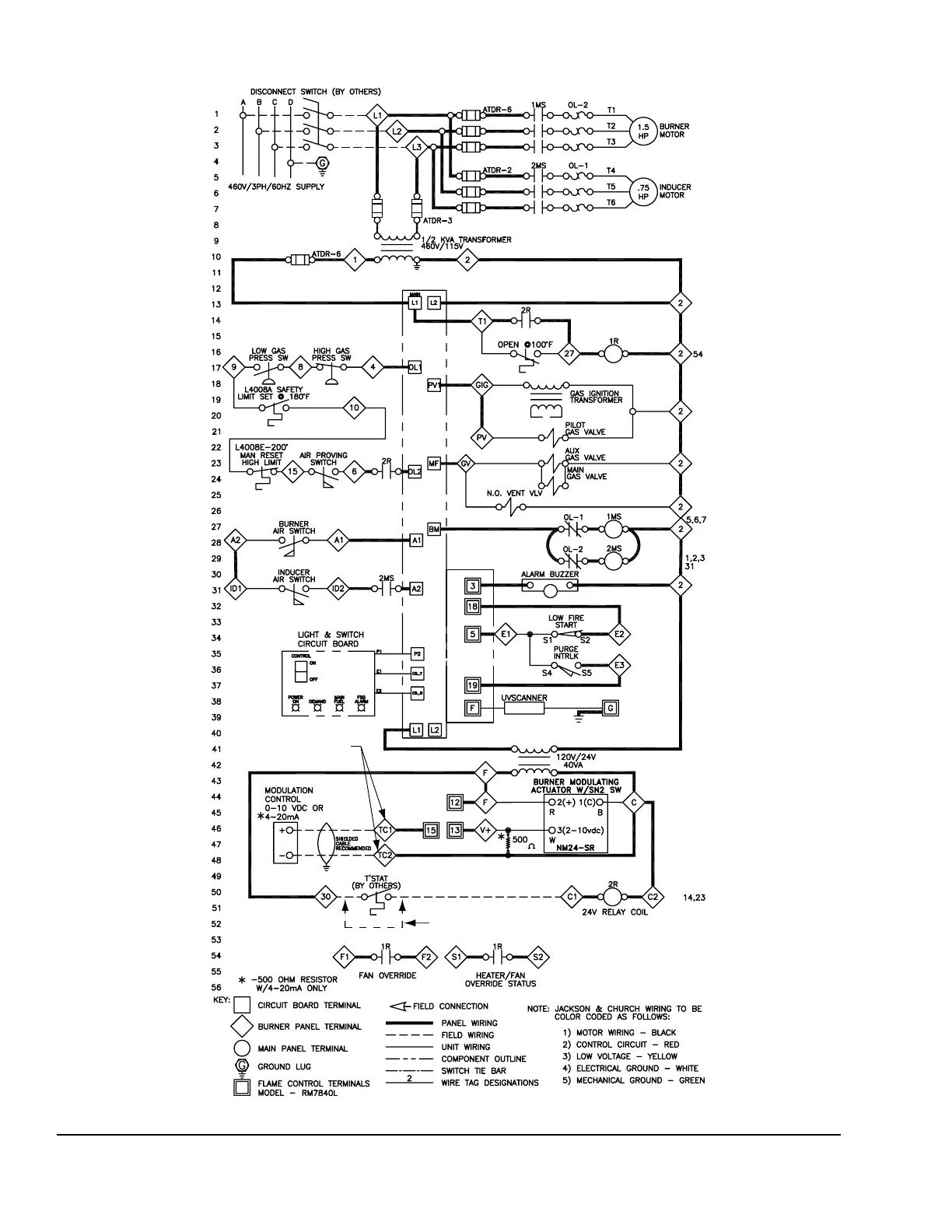
Connect Signal
Generator here for test
and start up
Jumper may be
required here for test
and start up
FIGURE 36 - TYPICAL WIRING DIAGRAM
LD13315

Table of Contents

Related product manuals