EasyManua.ls Logo

Zenith H-100 - Page 14

Zenith H-100
98 pages
Print Icon
To Next Page IconTo Next Page
To Next Page IconTo Next Page
To Previous Page IconTo Previous Page
To Previous Page IconTo Previous Page
Loading...
A~
m>
I
21{>~
BA0
" p
U1Bl
14
P
LS'244
12
P ,
3 P
& P
P
/4.7
m>
p
111
r
~~7
19
/
"
r.p!I_7:
~~'!'1
.'"3
HI1
-~
U159
1~
l-I
H
(,1
...\4.1
101
..
7·1~·
n
P4
G2A
.13.
H
--------
~
G28
12
P
256'1.4
LS1H
I""
~
PROM
~d·'n
11
p
1 A
1""1'
H
BA~.
U179
5A1
P
,
B
V
t!.
82.~129
P
5
Af
~
12./
P
p.
3 c
I""
p
BA2
-
1/
P
,
~
,..,
..
P
1
'1
P
P
4
'"
H
10
0
E:C
4/
P
.3
_1(21/
P
P 1
...
U157
Gl
5
p
P
2.
I"'"
P 2
A
,/
P
P
,
.q/
P
PJ
!>
03
7
p
P
1~
A"7
..,-
~~'39
~2/
~
"lolll4·1JI
P,s.
"43";U-
,..,
C[1
CE2
G2
11/
H_
_
iJ
~'4
Pl~
A
,_/
p-
P
13
~
10
BA3
8
...
q
~
I
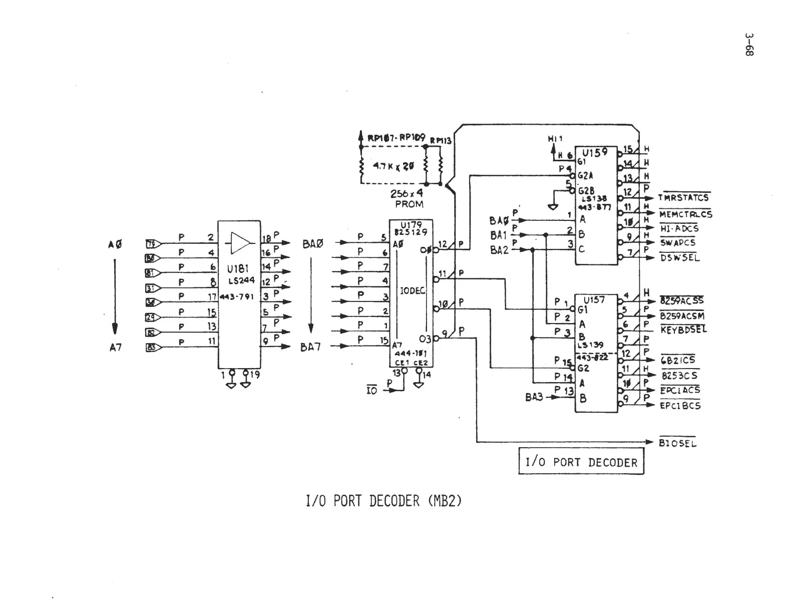
I/O
PORT
DECODER
r
T~RSTATCS
MEMCTRl,.CS
l"I1·ADCS
~WAPCS
D5~5EL
!Z39AC.~
~2S9AC.S'"
KEY8DSH
,"~ZIC5
8,5~CS
EPCl ACS
EPCl BCS
810SEL
w
I
Cl'l
CD
I/O
PORT
DECODER
CMB2)

Related product manuals