EasyManua.ls Logo

Zenith XBV443 - Block Diagrams; Power(Smps) Block Diagram

Zenith XBV443
108 pages
Print Icon
To Next Page IconTo Next Page
To Next Page IconTo Next Page
To Previous Page IconTo Previous Page
To Previous Page IconTo Previous Page
Loading...
3-20 3-21
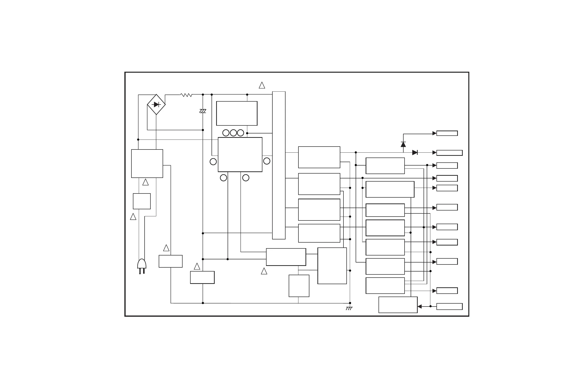
BLOCK DIAGRAMS
1. POWER(SMPS) BLOCK DIAGRAM
BD101
T101
TRANS
R101
+
BR BL
(BK)(WH)
C103
!
!
!
!
!
!
FUSE
(F101)
NOISE FILTER
BLOCK
(C101,L102,
C102)
PHOTO COUPLER
(IC102)
ERROR
AMP
(IC103)
SNUBBER
BLOCK
(D101,C105
C106,R104)
DRIVE & S/W BLOCK
(IC101, D102, R105,
C104, C109 , C135)
Y-CAP
C111
Y-CAP
C110
FEED-BACK
BLOCK
R112,R113,
C133,R114.
R115,R116
R117)
RECTIFIER &
SMOOTING BLOCK
(D110,C123,C163,
R133,L122,C126)
RECTIFIER &
SMOOTING BLOCK
(D118,D112,C129,
C131,L124,L125)
RECTIFIER &
SMOOTING BLOCK
(D111,C127,L123,
C128)
RECTIFIER &
SMOOTING BLOCK
(D113,C132,R119)
CAP VCC
D115
D117
DRUM VCC
12V
8V
5.3VA
5V
3.3V
33V
12V REG BLOCK
(Q156,ZD103,C151,
R150,R153,C152)
8V REG BLOCK
(D114,IC151,R170,
C154,C159)
5V S/W BLOCK
(Q160,C155,D121,
R157,R158,R159,R160)
3.3V REG BLOCK
(IC152,C153,R156)
33V S/W BLOCK
(Q161,R154,R155,
R177)
5V S/W BLOCK
(Q163,C162,R173,
Q164)
PWR CTL'H'
SW5V
9V
9V REG BLOCK
(Q165,ZD171,C171,
R174,R175,R176)
PWR CTL BLOCK
(Q162,C161,R164,
R163)
6
5
7 8
2
31
DVW-7000

Table of Contents

Related product manuals