EasyManua.ls Logo

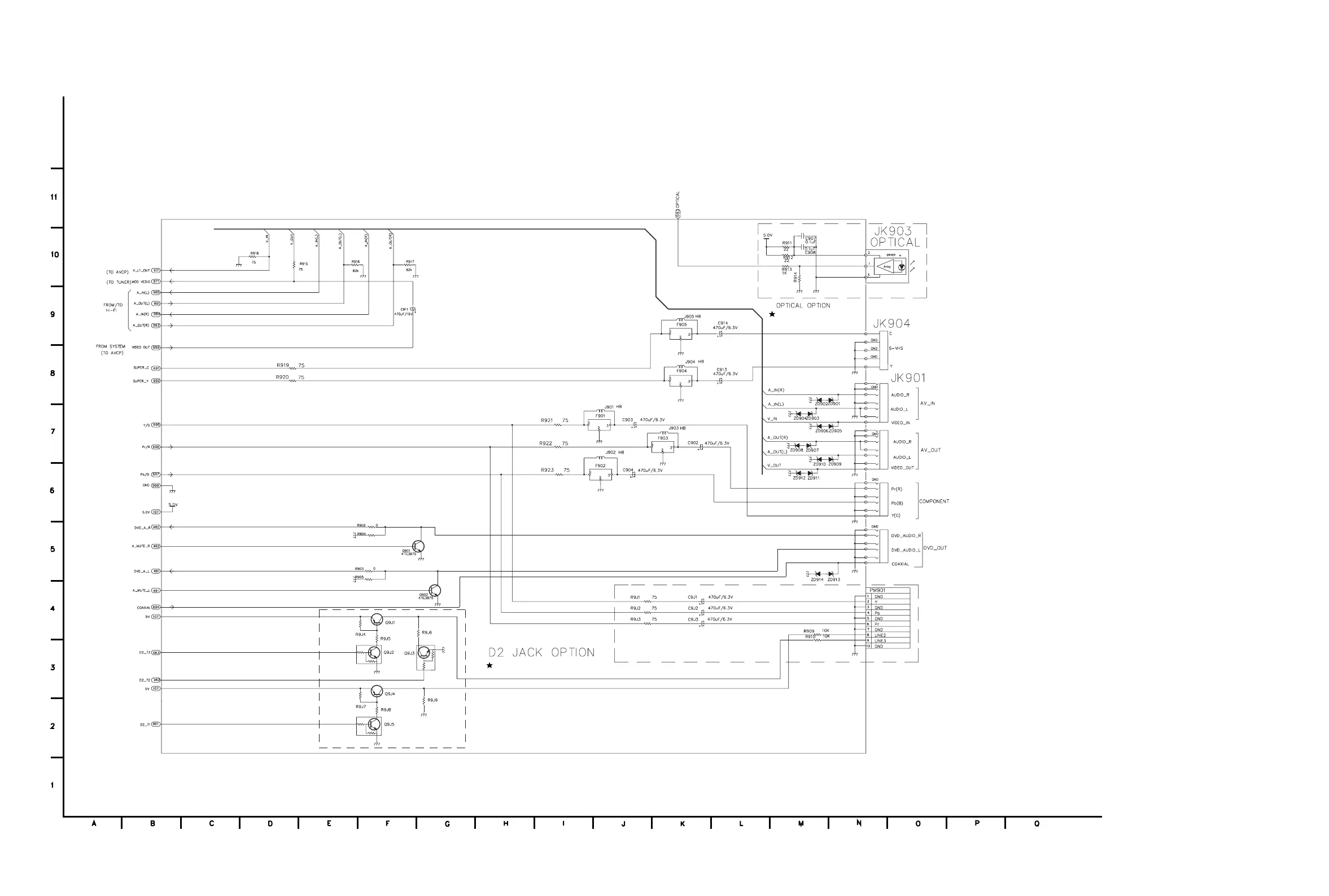
Zenith XBV443 - Jack Circuit Diagram

Zenith XBV443
108 pages
Print Icon
To Next Page IconTo Next Page
To Next Page IconTo Next Page
To Previous Page IconTo Previous Page
To Previous Page IconTo Previous Page
Loading...
3-42 3-43
6. JACK CIRCUIT DIAGRAM
(DVW-7000 Without)
(DVW-7000 Without)
SR14306A
DVW-7000

Table of Contents

Related product manuals