EasyManua.ls Logo

Zenith XBV443 - Page 36

Zenith XBV443
108 pages
Print Icon
To Next Page IconTo Next Page
To Next Page IconTo Next Page
To Previous Page IconTo Previous Page
To Previous Page IconTo Previous Page
Loading...
3-34 3-35
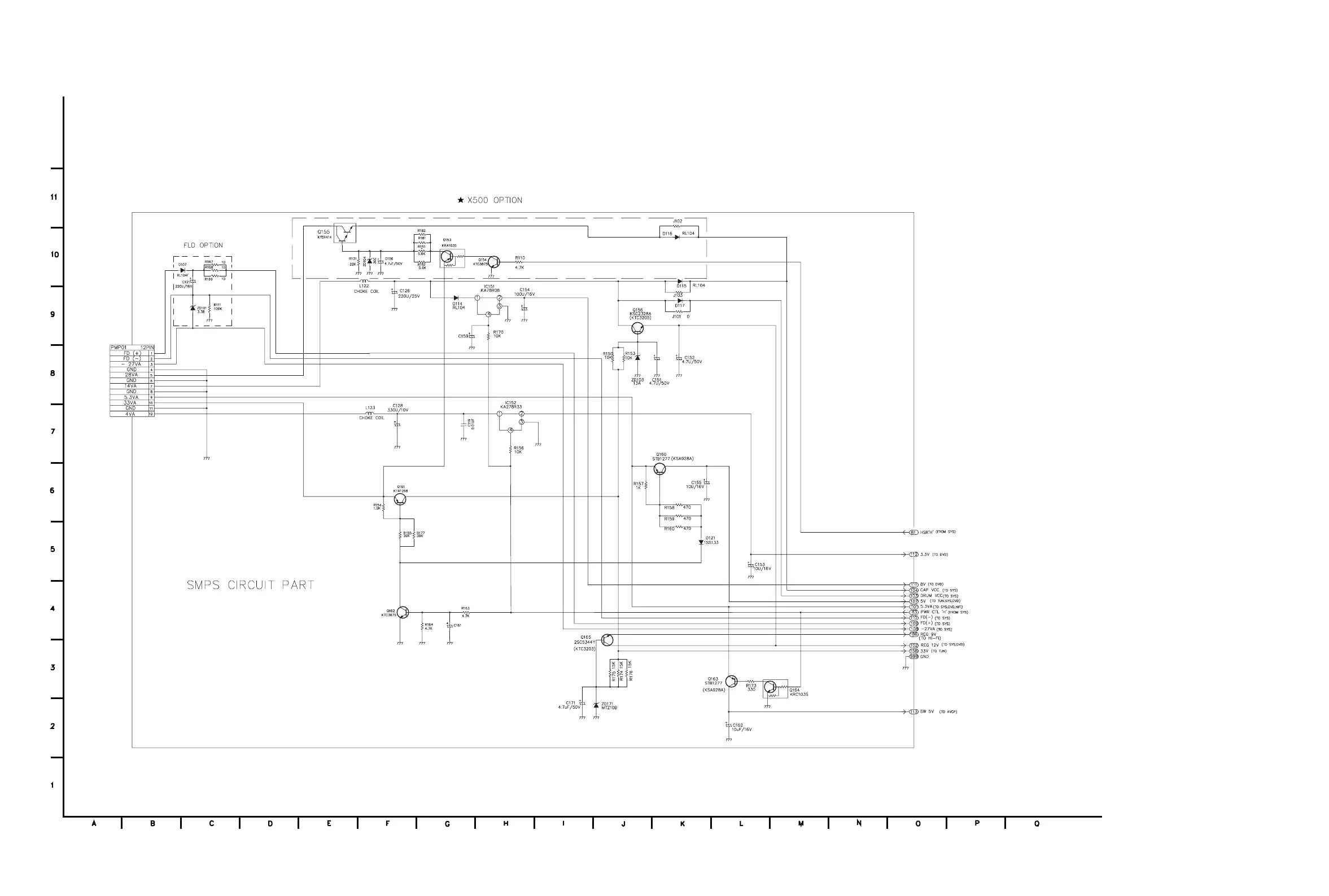
2. POWER(SMPS) CIRCUIT DIAGRAM 2
SR14301A
DVW-7000
(DVW-7000 Without)

Table of Contents

Related product manuals