EasyManua.ls Logo

Zenith XBV613 - Connecting an Antenna or Cable TV; Basic TV Connection Diagrams

Zenith XBV613
38 pages
Print Icon
To Next Page IconTo Next Page
To Next Page IconTo Next Page
To Previous Page IconTo Previous Page
To Previous Page IconTo Previous Page
Loading...
10
Connecting an
Connecting an
Antenna
Antenna
or Cable TV
or Cable TV
aa
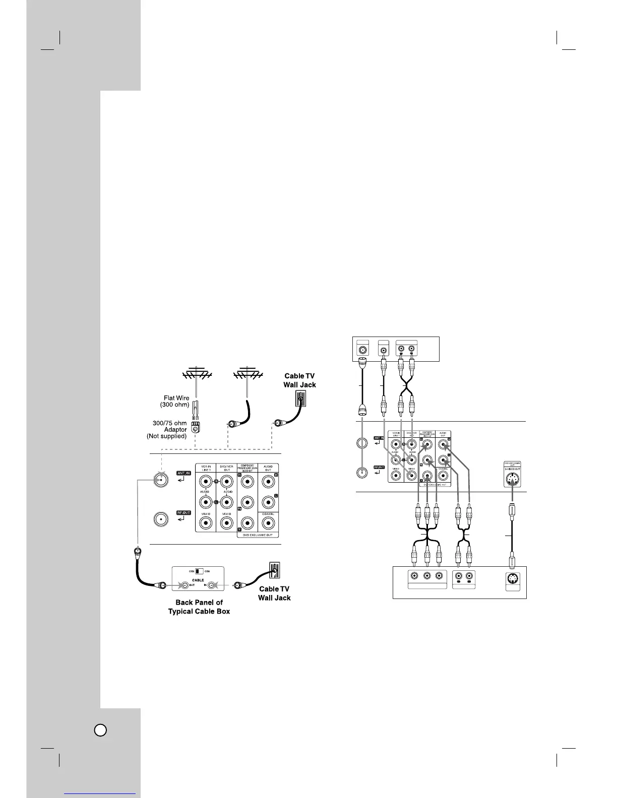
Antenna
:
Disconnect the antenna from the rear of the TV and
identify the antenna cable. If it is a round 75 ohm
coaxial cable connect it directly to the jack marked
ANT.IN on your DVD+VCR. If your antenna cable is
flat connect it to a 300-ohm to 75-ohm antenna adap-
tor (not supplied) and slip the adaptor over the
ANT.IN jack. Don’t attempt to screw it into to the
DVD+VCR.
bb
Cable TV:
If your cable connection has no converter or
descrambler, unscrew the cable from your TV and
attach it to the ANT.IN jack on the DVD+VCR. If a
converter is required connect a coaxial cable from the
wall jack to the IN connector on the converter, and a
coaxial cable from the OUT connector on the convert-
er to the ANT.IN on your DVD+VCR. This cable
hookup permits both TV and DVD+VCR operation.
To view or record a CATV channel
1Tune the TV to the DVD+VCR output channel
(CH 3 or 4).
2 Set the DVD+VCR channel selector to the cable
output channel. (Example: CH3)
3 Select a channel using the cable converter.
Notes:
With this connection, you cannot record one program
while viewing another.
If you are using a cable box to tune channels, it is not
necessary to do Auto Channel Set.
Basic TV Connections
Basic TV Connections
Make one of the following connections, depending on
the capabilities of your TV.
Rear of DVD+VCR
Antenna Antenna
OR OR
a
b
Rear of DVD+VCR
L
R
AUDIO INPUT
VIDEO
INPUT
ANTENNA
INPUT
Rear of TV
A1
VR
Y
Pb
Pr
COMPONENT/PROGRESSIVE SCAN
VIDEO INPUT
L
R
AUDIO INPUT
S-VIDEO
INPUT
Rear of TV
S
A2
C

Table of Contents

Related product manuals