EasyManua.ls Logo

Zipro Dash - Sostituzione Delle Batterie; Schema DI Montaggio

Zipro Dash
Print Icon
To Next Page IconTo Next Page
To Next Page IconTo Next Page
To Previous Page IconTo Previous Page
To Previous Page IconTo Previous Page
Loading...
113
SOSTITUZIONE DELLE BATTERIE
Quando sul display le informazioni vengono visualizzati chiare o non ci saranno, occorre sostituire le
batterie.
Rimuovere il coperchio delle batterie sostituire quelle esaurite con due nuove. Mettendole nel vano
rispettare la polarità, “+” e “-”. Se il display non funziona correttamente dopo il riavvio, rimuovere le batterie
per alcuni minuti e poi reinserirle.
ATTENZIONE! Le batterie usate non sono coperte dalla garanzia. Contengono sostanze nocive (ad
esempio cadmio, mercurio, piombo), allora non gettare le batterie esaurite insieme agli altri
rifiuti domestici. Provvedere allo smaltimento differenziato negli appositi raccoglitori per batterie
AMBIENTE
Il dispositivo viene spedito in un imballaggio per proteggerlo da possibili danni
durante la spedizione. L'imballaggio è materia prima non lavorata e può essere
riciclato. Smaltire questi materiali negli appositi contenitori colorati per la raccolta
differenziata.
Proteggere l’ambiente e non smaltire le batterie usate con gli altri rifiuti domestici. Restituirli
al punto vendita o portarli in un punto di riciclaggio dedicato.
Le apparecchiature elettriche usate (compresi i contatori e gli alimentatori) sono riciclabili - non smaltirle tra
i rifiuti domestici perché possono contenere sostanze pericolose per la salute e per l'ambiente. Si prega di
aiutare attivamente nella gestione economica delle risorse naturali e proteggere l’ambiente consegnando il
dispositivo usato a un punto di raccolta dei materiali riciclabili - i dispositivi elettrici usati.
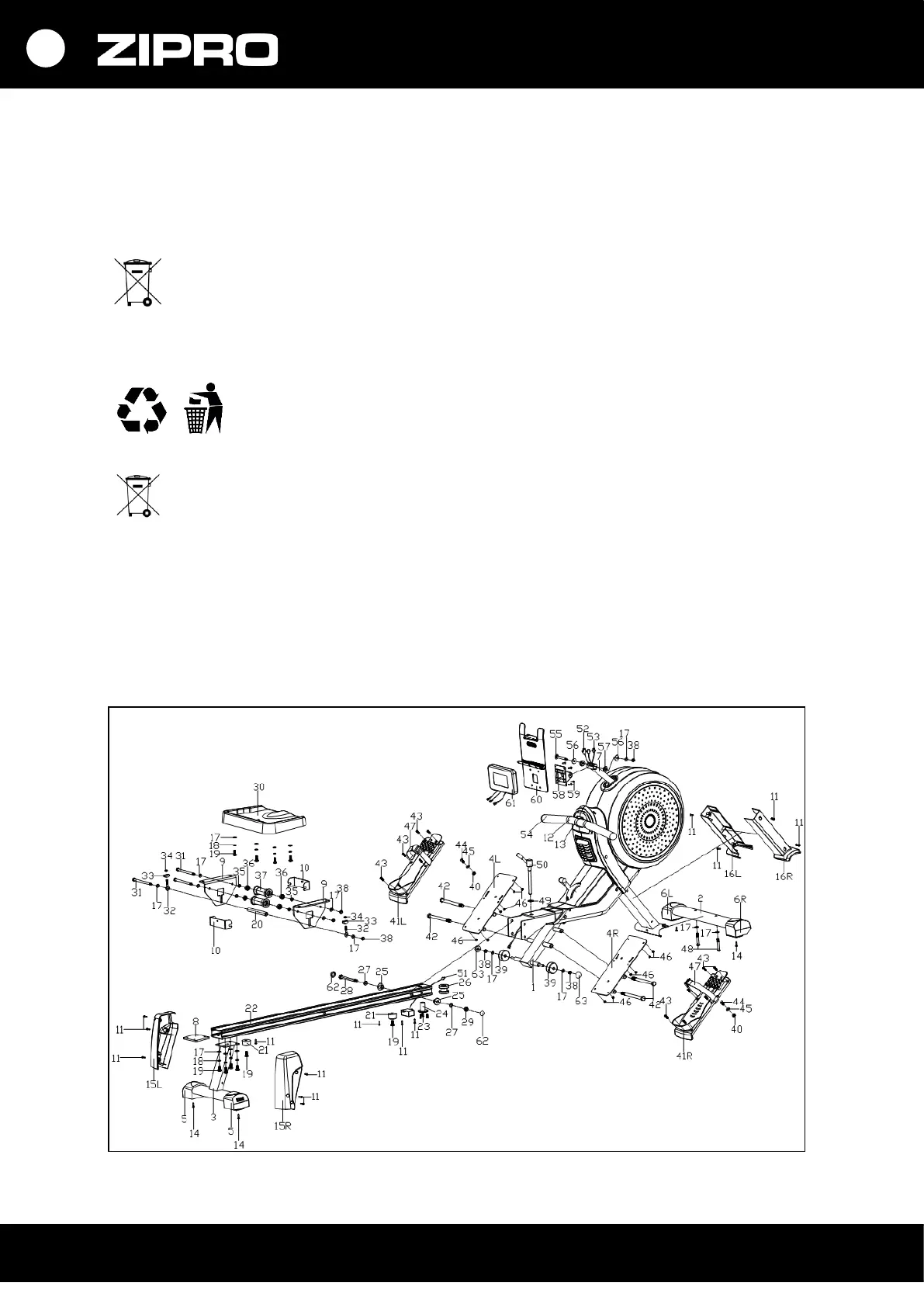
SCHEMA DI MONTAGGIO
ATTENZIONE! È vietato utilizzare le parti provenienti da fonti diverse dal produttore.

Table of Contents

Related product manuals