EasyManua.ls Logo

Zipro Dash - Sustitución de Pilas; Medio Ambiente; Esquema de Montaje

Zipro Dash
Print Icon
To Next Page IconTo Next Page
To Next Page IconTo Next Page
To Previous Page IconTo Previous Page
To Previous Page IconTo Previous Page
Loading...
127
ES
SUSTITUCIÓN DE PILAS
Es necesario reemplazar las pilas, si los mensajes presentados en la pantalla resultan poco visibles o no
se ven en absoluto.
Desmontar la tapa de pilas y reemplazar las pilas viejas por dos nuevas. Colocar las pilas en su
compartimento, orientado correctamente los polos "+" y "-". Si la pantalla no funciona correctamente,
después de volver a conectar, sacar las pilas durante unos minutos y volver a colocarlos.
¡ATENCIÓN! Las pilas gastadas no están incluidas en la garantía. Las pilas contienen sustancias
nocivas (por ej.: cadmio, mercurio o plomo) y por ello no deben desecharse con basura de hogar.
Las pilas deben reciclarse siguiendo la normativa local aplicable.
MEDIO AMBIENTE
El dispositivo se suministra en embalaje que lo protege de eventuales daños durante el
transporte. Los materiales de embalaje pueden reciclarse. Desechar estos materiales
en los recipientes correspondientes a la recogida selectiva de basura.
Protege el medio ambiente y no tires las pilas gastadas al cubo de basura en tu casa. Entrega
las pilas en el lugar de compra o al punto de recogida selectiva de basuras.
Los equipos eléctricos desgastados (incluyendo fuente de alimentación, ordenador, pantalla) pueden ser
fuente de recursos obtenidos del reciclaje - no se pueden desechar junto con desperdicios comunes, ya que
pueden contener sustancias peligrosas para el ser humano o medio ambiente. Por favor, contribuye
activamente en la gestión responsable y sostenible de los recursos y ayuda a proteger el medio ambiente,
entregando los equipos eléctricos y electrónicos obsoletos en los puntos de recogida selectiva, según la
normativa local aplicable.
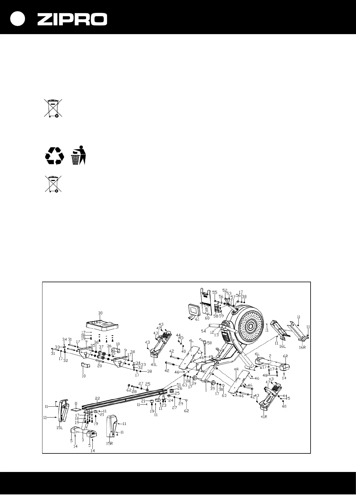
ESQUEMA DE MONTAJE
¡ATENCIÓN! Queda prohibido usar repuestos diferentes a aquellos ofrecidos por el fabricante.

Table of Contents

Related product manuals