EasyManua.ls Logo

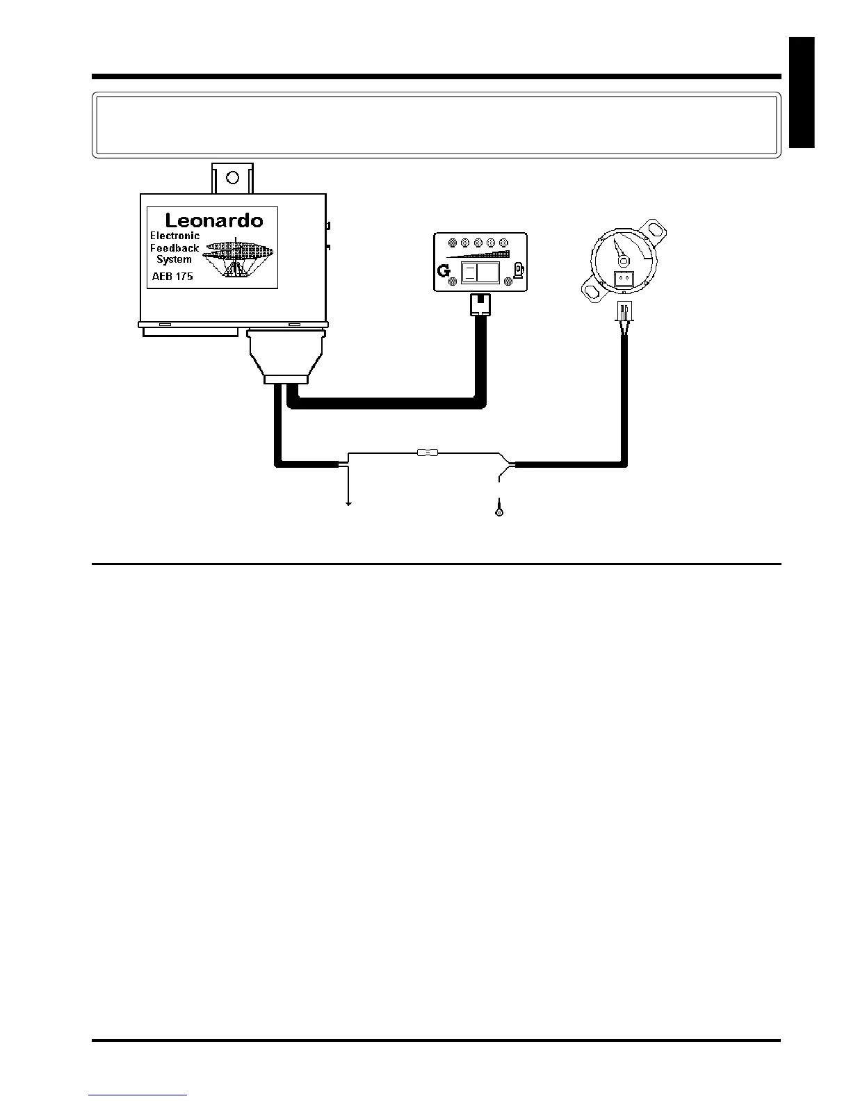
A.E.B. Leonardo 175 - Schemi DI Collegamento SENSORI DI LIVELLO

A.E.B. Leonardo 175
Print Icon
To Next Page IconTo Next Page
To Next Page IconTo Next Page
To Previous Page IconTo Previous Page
To Previous Page IconTo Previous Page
Loading...
Pag. 17
Italiano
Is175 Rev. 240102 - 2
Schemi di collegamento SENSORI DI LIVELLO
SENSORE
MASSA
BIANCO BIANCO
NERO
VERDE
NON COLLEGARE
ISOLARE
Schema di collegamento Sensore resistivo
destro standard A.E.B. Codice 1050