EasyManua.ls Logo

A.E.B. Leonardo 175 - Leonardo Code 175 Installation Schematic; Complete System Wiring Diagram

A.E.B. Leonardo 175
Print Icon
To Next Page IconTo Next Page
To Next Page IconTo Next Page
To Previous Page IconTo Previous Page
To Previous Page IconTo Previous Page
Loading...
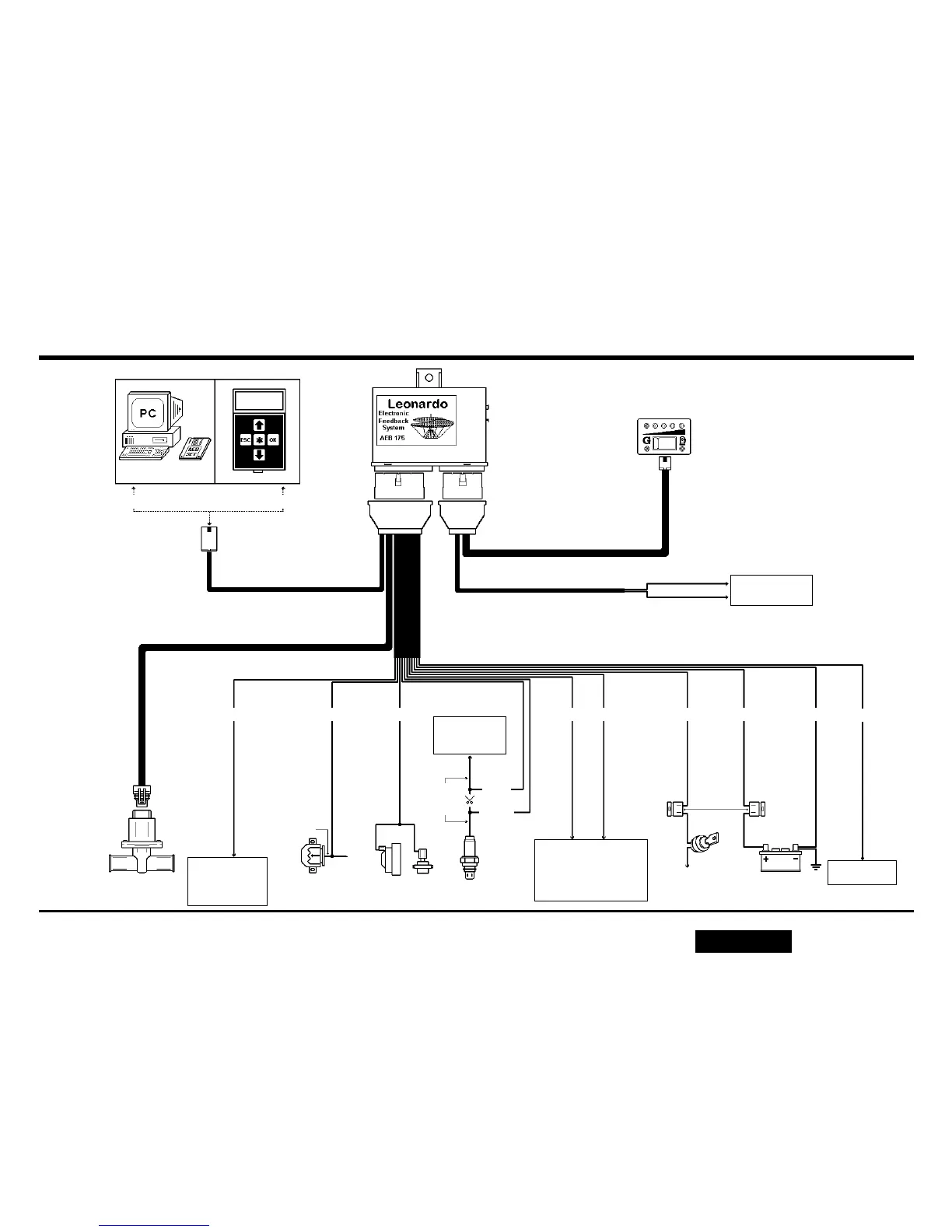
“Leonardo”
Code 175
Installation Schematic
English
Pag.35
STEPPER
MOTOR
TO
TACHOMETER
OR COIL
NEGATIVE
BROWN BLUE - YELLOW BLUE
T.P.S.
SIGNAL
THROTTLE
POSITION SENSOR
ALT. FUEL
ELECTROVALVES
OXYGEN
SENSOR
OXYGEN
SENSOR
SIGNAL
TO THE
O.E.M. ECU
GREY
PURPLE
OPEN CIRCUITING OF:
INJECTION
CHECK - ENGINE
INDICATOR
OR MEMORY RESET
YELLOW YELLOW
RED RED - BLACK
FUSE
MAX 7,5 A
+12 VOLT
SWITCHED IGNITION
BATTERY
BLACK
SWITCH
GREEN
WHITE
TO FUEL
LEVEL SENSOR
DIAGNOSIS AND PROGRAMMING PLUG
GROUND
Is175 Rev. 240102 - 1
TEMPERATURE
SENSOR
ORANGE