EasyManua.ls Logo

A.E.B. Leonardo 175 - Schéma Dinstallation

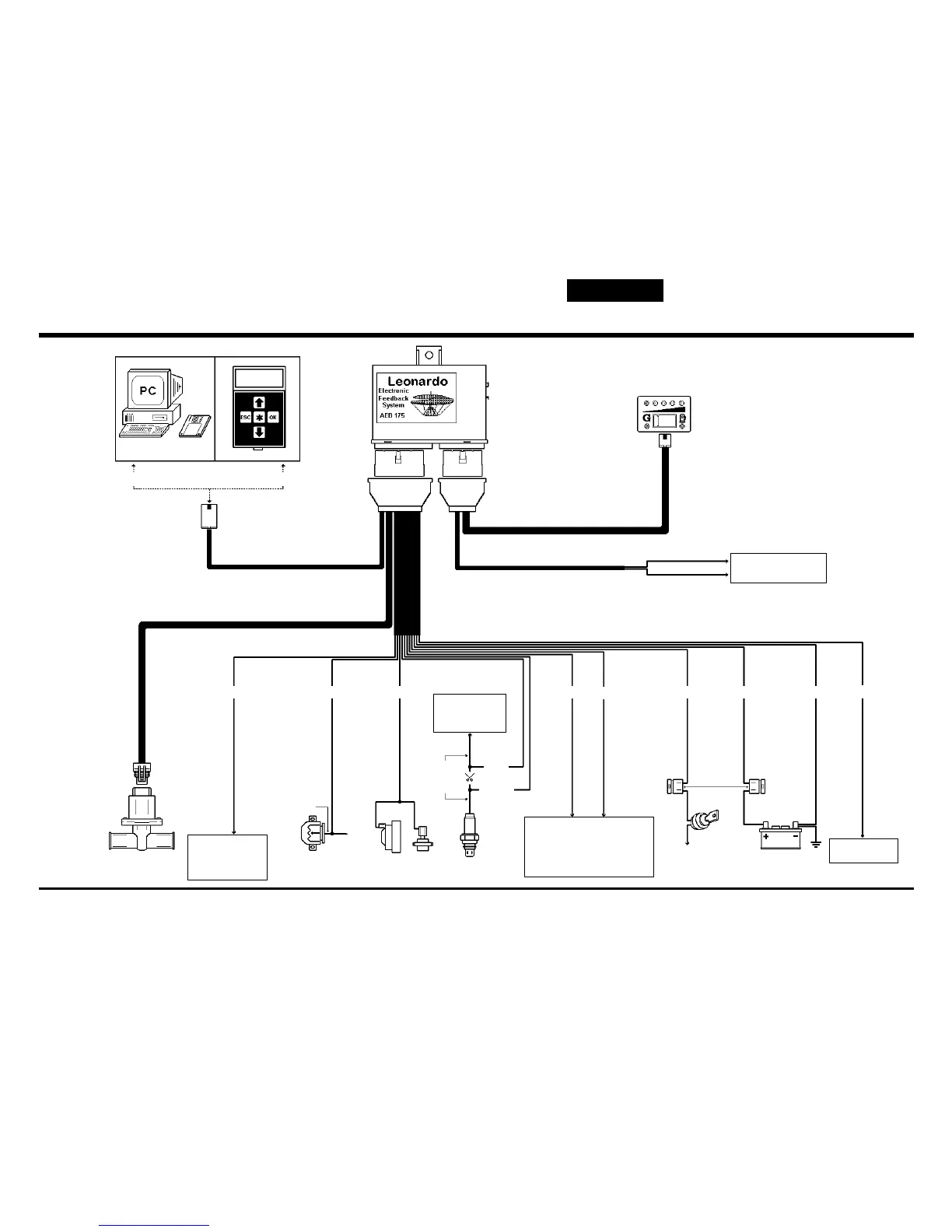
A.E.B. Leonardo 175
Print Icon
To Next Page IconTo Next Page
To Next Page IconTo Next Page
To Previous Page IconTo Previous Page
To Previous Page IconTo Previous Page
Loading...
Schéma d'installation de
“Leonardo” Code 175
Français
Pag.52
MOTEUR
PAS A PAS
VERS LE
COMPTE - TURS
OU LE NEGATIF
BOBINE
MARRON BLEU - JAUNE BLEU
SIGNAL
T.P.S.
POTENTIOMETRE
PAPILLON
ELECTROVALVES
GAZ
SONDA
LAMBDA
SIGNAL
SONDE
LAMBDA
VERS
LA CENTRALE
D'INJECTION
GRIS
VIOLET
FILS POUR INTERRUPTION
INJECTION
TEMOIN CHECK - ENGINE
OU
RESET MEMOIRE
JAUNE
JAUNE
ROUGE ROUGE - NOIR
FUSIBLE
MAX 7,5 A
+12 VOLT
SOUS CLE
BATERIA
NOIR
COMMUTATEUR
VERT
BLANC
VERS LE CAPTEUR
DE NIVEAU
PRISE POUR DIAGNOSTIC ET PROGRAMMATION
MASSE
Is175 Rev. 240102 - 1
ORANGE
CAPTEUR
TEMPERATURE