EasyManua.ls Logo

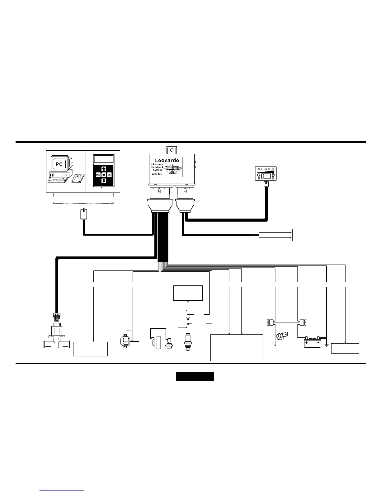
A.E.B. Leonardo 175 - Esquema de Instalación

A.E.B. Leonardo 175
Print Icon
To Next Page IconTo Next Page
To Next Page IconTo Next Page
To Previous Page IconTo Previous Page
To Previous Page IconTo Previous Page
Loading...
Esquema de Instalaciòn
“Leonardo” Código 175
Español
Is175 Rev. 240102 - 1
Pag.69
MOTOR
PASO - PASO
AL CONTAVUELTA
O AL NEGATIVO
BOBINA
MARRON AZUL - AMARILLO AZUL
SENAL
T.P.S.
POTENCIOMETRO
MARIPOSA
ELECTROVALVULA
GAS
SONDA
LAMBDA
SENAL
SONDA
LAMBDA
A LA CAJA
DE
INYECCION
GRIS
VIOLA
HILO PARA INTERRUPCION:
INYECCION
LUZ DE ALARMA
CHECK - ENGINE
O
RESTABLECIMIENTO
MEMORIA
AMARILLO AMARILLO
ROJO ROJO - NEGRO
FUSIBLE
MAX 7,5 A
+12 VOLT
BAJO LLAVE
BATERIA
NEGRO
CONMUTADOR
VERDE
BLANCO
AL SENSOR DE
NIVEL
TOMA PARA DIAGNOSIS Y PROGRAMACION
MASA
ANARANJADO
SENSOR
TEMPERATURE