EasyManua.ls Logo

A.E.B. Leonardo 175 - Schema Dinstallazione

A.E.B. Leonardo 175
Print Icon
To Next Page IconTo Next Page
To Next Page IconTo Next Page
To Previous Page IconTo Previous Page
To Previous Page IconTo Previous Page
Loading...
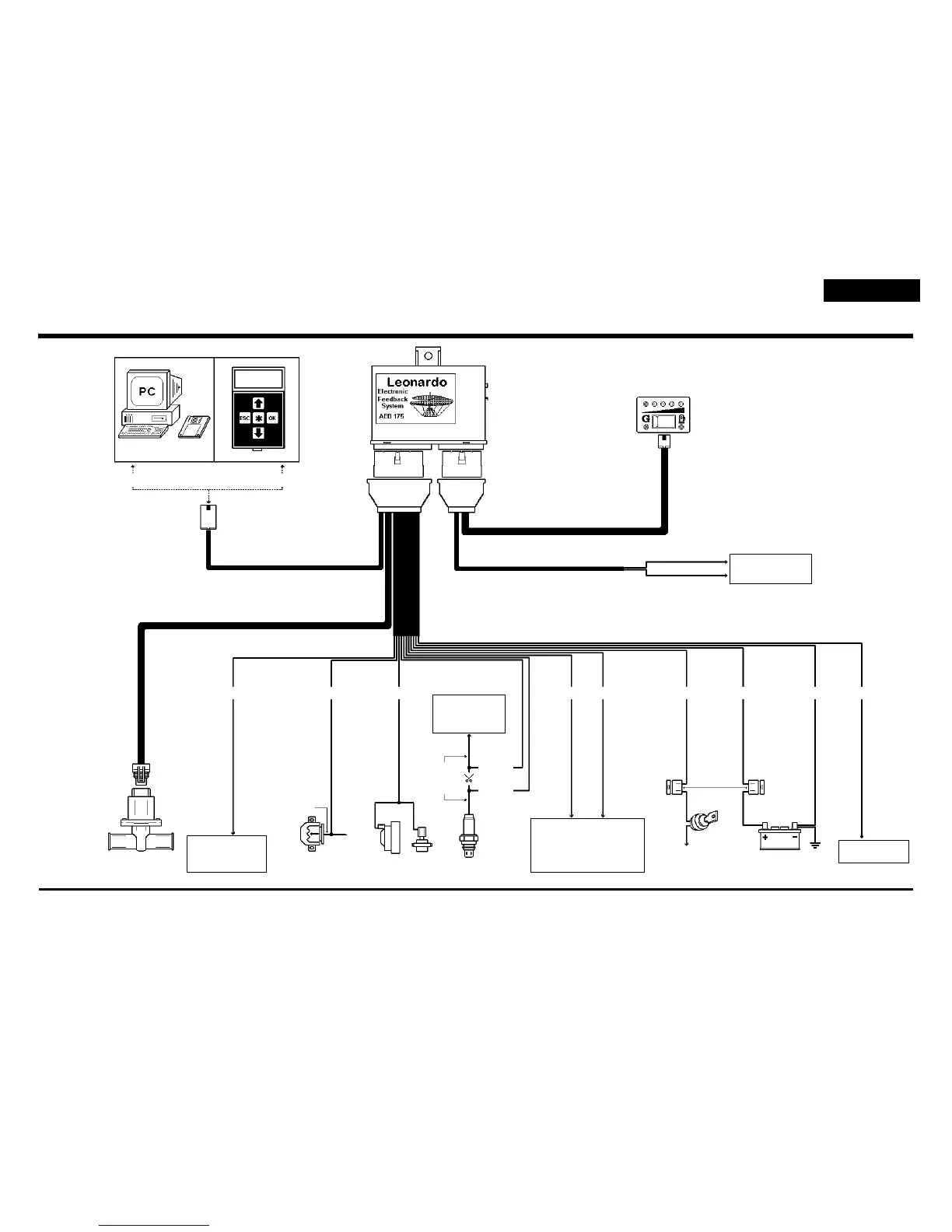
Schema d'installazione
“Leonardo” Codice 175
Italiano
Pag.18
MOTORE
PASSO - PASSO
AL CONTAGIRI O
AL NEGATIVO
BOBINA
MARRONE BLU - GIALLO BLU
SEGNALE
T.P.S.
POTENZIOMETRO
FARFALLA
ELETTROVALVOLE
GAS
SONDA
LAMBDA
SEGNALE
SONDA
LAMBDA
ALLA
CENTRALINA
D'INIEZIONE
GRIGIO
VIOLA
FILI PER INTERRUZIONE:
INIEZIONE
SPIA CHECK - ENGINE
O
RESET MEMORIA
GIALLO GIALLO
ROSSO ROSSO - NERO
FUSIBILE
MAX 7,5 A
+12 VOLT
SOTTO CHIAVE
BATTERIA
NERO
COMMUTATORE
VERDE
BIANCO
AL SENSORE DI
LIVELLO
PRESA PER DIAGNOSI E PROGRAMMAZIONE
MASSA
Is175 Rev. 240102 - 1
ARANCIONE
SENSORE
TEMPERATURA