EasyManua.ls Logo

A.O. Smith BTR120 - Page 20

A.O. Smith BTR120
36 pages
Print Icon
To Next Page IconTo Next Page
To Next Page IconTo Next Page
To Previous Page IconTo Previous Page
To Previous Page IconTo Previous Page
Loading...
20
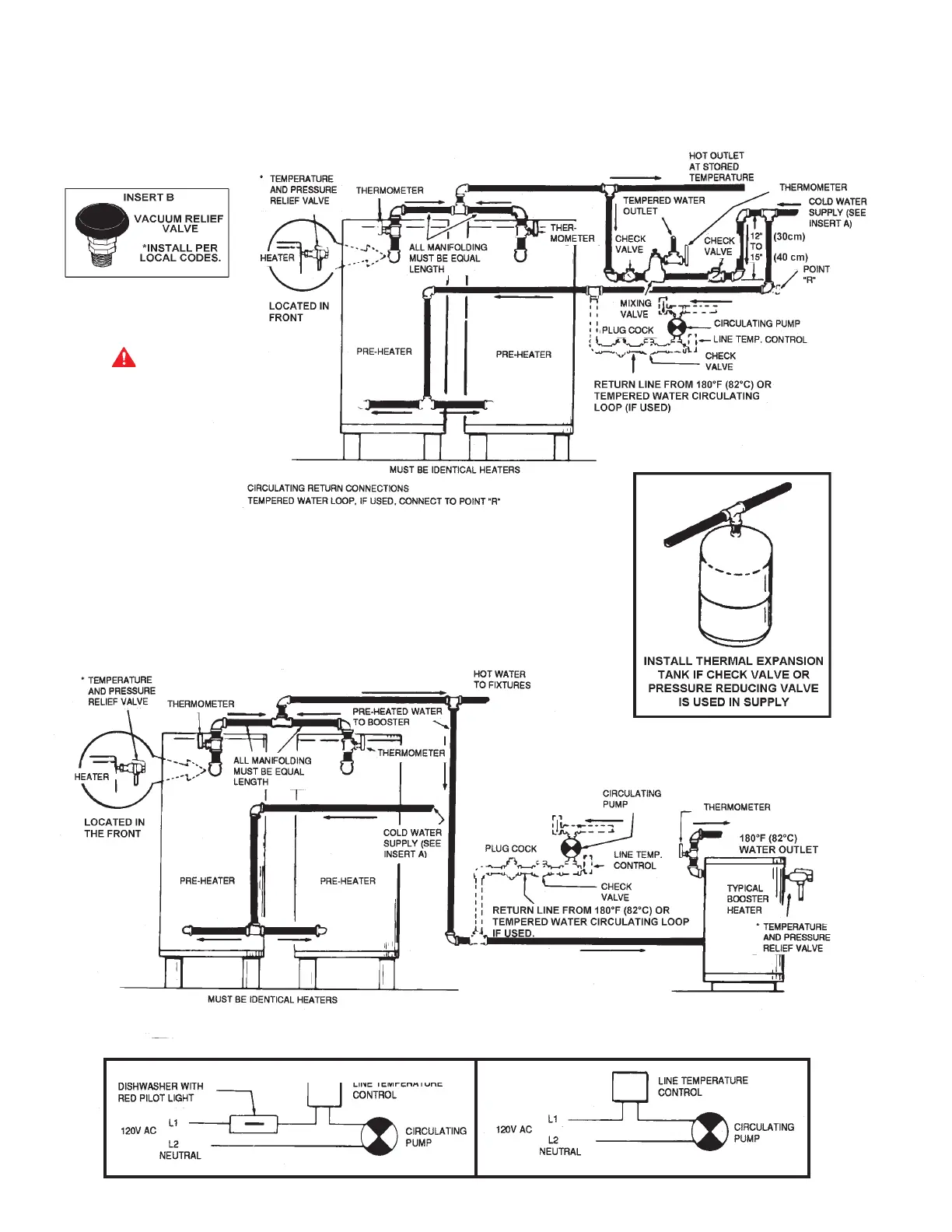
TWO TEMPERATURE - TWO PRE-HEATERS WITH MIXING VALVE OR
BOOSTER HEATER WITH OR WITHOUT BUILDING RECIRCULATION
TWO PRE-HEATERS WITH MIXING VALVE
TWO PRE-HEATERS WITH BOOSTER HEATER
DANGER
TEMPERATURE SETTING SHOULD NOT
EXCEED SAFE USE TEMPERATURE AT
FIXTURES. SEE WATER TEMPERATURE
CONTROL WARNING ON PAGE 27. IF HIGHER
PREHEAT TEMPERATURES ARE NECESSARY
TO OBTAIN ADEQUATE BOOSTER OUTPUT,
ADD AN ANTI-SCALD VALVE FOR HOT WATER
SUPPLIED TO FIXTURES.

Table of Contents

Related product manuals