EasyManua.ls Logo

A.O. Smith BTR120 - Page 21

A.O. Smith BTR120
36 pages
Print Icon
To Next Page IconTo Next Page
To Next Page IconTo Next Page
To Previous Page IconTo Previous Page
To Previous Page IconTo Previous Page
Loading...
21
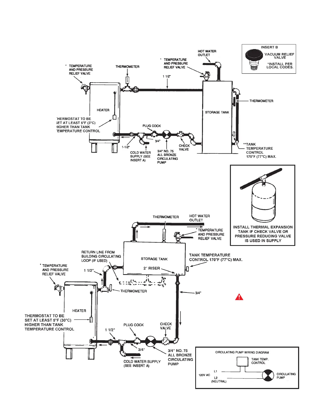
MEDIUM TEMPERATURE - ONE HEATER WITH AUXILIARY STORAGE TANK
FORCED CIRCULATION WITH OR WITHOUT BUILDING RECIRCULATION
VERTICAL STORAGE TANK
HORIZONTAL STORAGE TANK
DANGER
TEMPERATURE SETTING SHOULD NOT EXCEED SAFE
USE TEMPERATURE AT FIXTURES. SEE WATER
TEMPERATURE CONTROL WARNING ON PAGE 27. IF
HIGHER PREHEAT TEMPERATURES ARE NECESSARY
TO OBTAIN ADEQUATE BOOSTER OUTPUT, ADD AN
ANTI-SCALD VALVE FOR HOT WATER SUPPLIED TO
FIXTURES.
* PIPE RELIEF VALVE TO OPEN DRAIN.
**WHEN USING AN A.O. SMITH T-140, -
200,
-350 OR -400 STORAGE TANK, USE
LOWER 3/4” OPENING FOR TANK
TEMPERATURE CONTROL.
IF BUILDING CIRCULATING LOOP IS
USED, CONNECT TO AN OPENING NEAR
THE BOTTOM OF THE TANK.
CAUTION: IF BUILDING COLD WATER SUPPLY HAS A
BACKFLOW PREVENTER, CHECK VALVE OR WATER
METER WITH CHECK VALVE. PROVISIONS FOR
THERMAL EXPANSION OF WATER IN THE HOT WATER
SYSTEM MUST BE PROVIDED.
*PIPE RELIEF VALVE TO OPEN DRAIN
INSTALL IN ACCORDANCE WITH LOCAL CODES.

Table of Contents