EasyManua.ls Logo

ABB DCS800 Series - Page 38

ABB DCS800 Series
52 pages
Print Icon
To Next Page IconTo Next Page
To Next Page IconTo Next Page
To Previous Page IconTo Previous Page
To Previous Page IconTo Previous Page
Loading...
94
3ADW000191R0500 DCS800 Quick guide edisf e
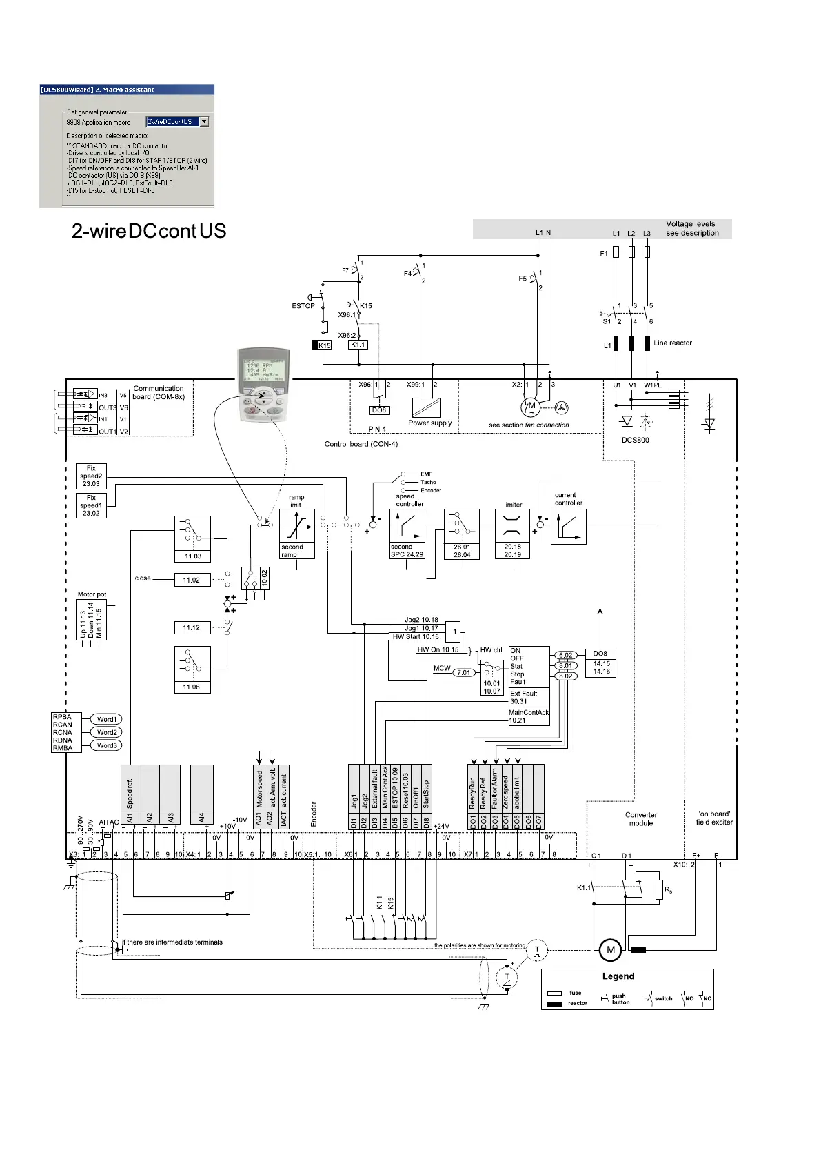
DCS8_macros.dsf
α

Related product manuals