EasyManua.ls Logo

ABB DCS800 Series - Notes on EMC

ABB DCS800 Series
52 pages
Print Icon
To Next Page IconTo Next Page
To Next Page IconTo Next Page
To Previous Page IconTo Previous Page
To Previous Page IconTo Previous Page
Loading...
8
3ADW000191R0500 DCS800 Quick guide edisf e
Not applicable
First environment (residential area with light industry) with PDS category C2
Not applied, since category C1 (general distribution sales channel) excluded
satisfied
satisfied
The paragraphs below describe selection of
the electrical components in conformity with
the EMC Guideline.
The aim of the EMC Guideline is, as the name
implies, to achieve electromagnetic compa-
tibility with other products and systems. The
guideline ensures that the emissions from
the product concerned are so low that they
do not impair another product‘s interference
immunity.
In the context of the EMC Guideline, two
aspects must be borne in mind:
the product‘s interference immunity
the product‘s actual emissions
The EMC Guideline expects EMC to be taken
into account when a product is being developed;
however, EMC cannot be designed in, it can only
be quantitatively measured.
Note on EMC conformity
The conformity procedure is the responsibility of
both the power converter‘s supplier and the manu-
facturer of the machine or system concerned, in
proportion to their share in expanding the electrical
equipment involved.
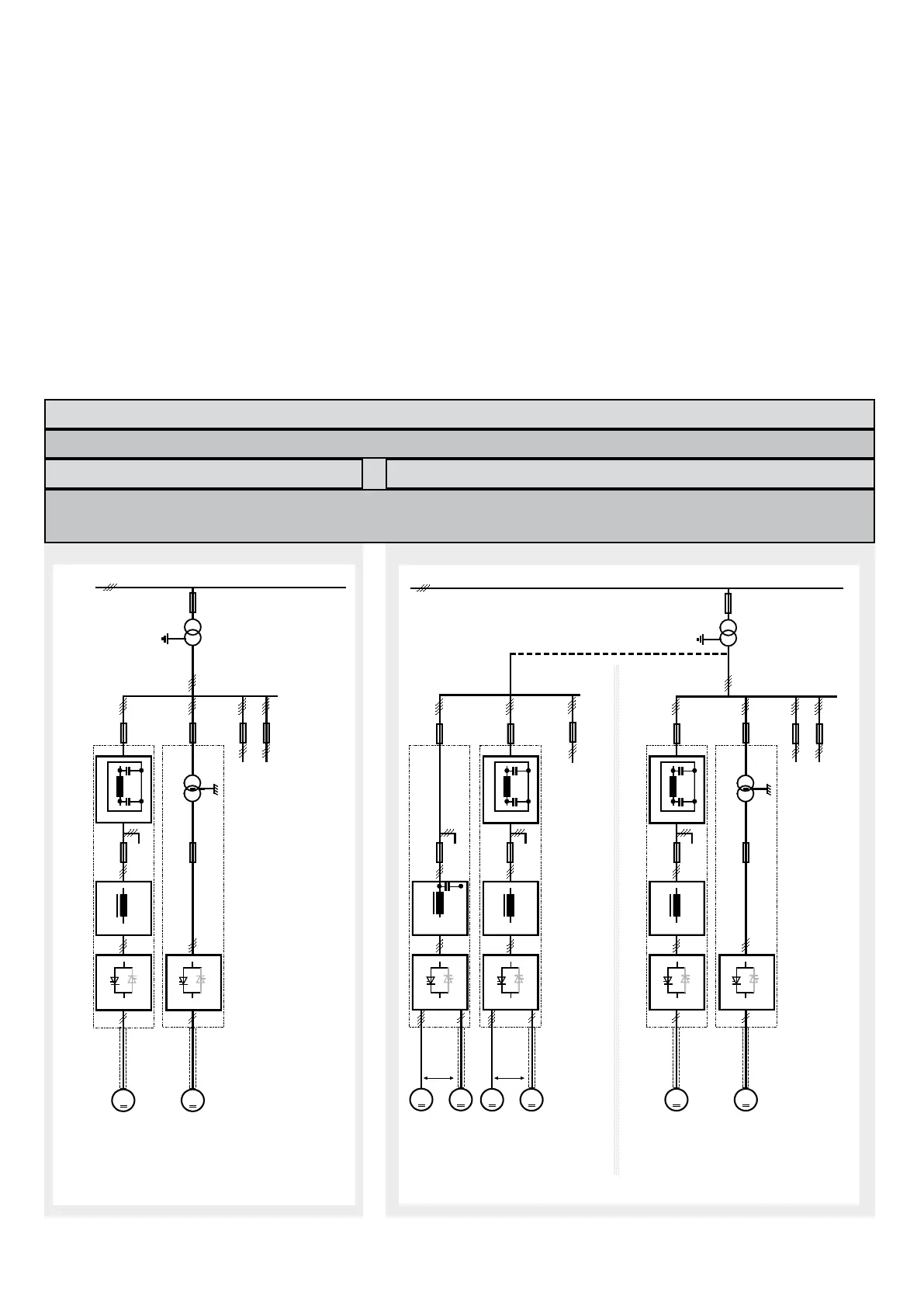
Notes on EMC
MM
Mains filter
Converter
Line reactor
Supply transformer for a residential
area (rating normally
1,2 MVA)
Earthed public 400-V
network with neutral
conductor
Medium-voltage network
Earthed
neutral
To other loads, e.g. drive systems
An isolating transformer
with an earthed screen
and earthed iron core
renders mains filter and
line reactor superfluous.
Operation at public
low-voltage network
together with other
loads of all kinds.
Residential area
To other loads which have to be protected from the system disturbances caused by
power converters (HF interference and commutation notches)
Converter
MM
MM
MM
alternative
alternative
Line reactor +
Y-capacitor
Medium-voltage network
Supply transformer for a residential
area (rating normally
1.2 MVA)
Earthed
neutral
Earthed public 400-V
network with neutral
conductor
To other loads, e.g. drive systems
Mains filter
Line reactor
Converter Converter
Mains filter
Line reactor
Converter Converter
An isolating transformer
with an earthed screen
and earthed iron core
renders mains filter and
line reactor superfluous.
Operation at public
low-voltage network
together with other
loads of all kinds.
To other loads, e.g. drive systems
To other loads which have to be protected from the system disturbances caused by
power converters (HF interference and commutation notches)
Earthed public 400-V
network with neutral
conductor
Operation at public
low-voltage network
together with other
loads of all kinds.
Light industry
Residential area
Commutaion notches < 20%
You will find further informa-
tion in publication:
Technical Guide chapter:
EMC Compliant Installa-
tion and Configuration for
a Power Drive System

Related product manuals