EasyManua.ls Logo

ABB DCT880 - Thyristor Fault Finding for T5 and +S500 Units; Fault finding in T5 units without +S500; Checking for blown internal fuses in T5 units; Testing thyristors in T5 units

ABB DCT880
90 pages
Print Icon
To Next Page IconTo Next Page
To Next Page IconTo Next Page
To Previous Page IconTo Previous Page
To Previous Page IconTo Previous Page
Loading...
17
Note:
The RC / snubber circuit could also cause 0 result for a short time.
The measurement, showing less resistance than 1 should be made a second time with test leads applied to
the terminals with opposite polarity; if this measurement shows the same result, one or two thyristors located
in that path are faulty; they need to be replaced.
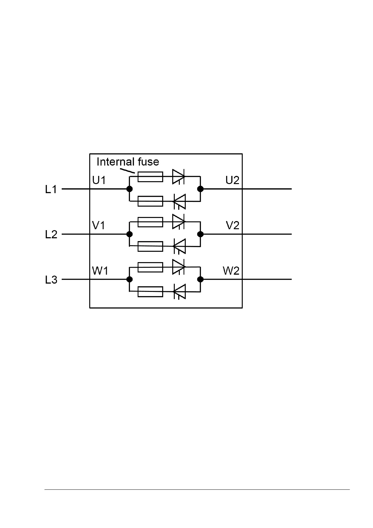
Standard thyristor power controllers size T5 (890 A … 960 A), without +S500
Standard thyristor power controllers, without +S500. Internal semiconductor fuses are included.
The thyristor power controller must be disconnected from the mains.
Blown fuses
Using the OHM function of a normal multimeter, measurements must be made from both sides of the
semiconductor fuses (e.g. U1 to thyristor, V1 to thyristor and W1 to thyristor):
Faulty thyristor
Make sure, the internal fuses are fine.
Using the OHM function of a normal multimeter, measurements must be made from both sides of the
thyristor power controller (e.g. U1 to U2, V1 to V2 and W1 to W2).
Normally, each measurement should show high resistance (> 1 k).
Target: find a short circuit, indicated by low resistance (< 1 ) (destroyed thyristor).
If the Thyristor power controller is designed with thyristor modules, then a module consists of two
thyristors. In this case, it is sufficient to know which thyristor module has a defective thyristor because the
complete module must be replaced.
After a thyristor module is replaced, the above-mentioned measurement should be done another time to
make sure that all faulty thyristors have been detected!
Note:
The RC / snubber circuit could also cause 0 result for a short time.
The measurement, showing less resistance than 1 should be made a second time with test leads applied to
the terminals with opposite polarity; if this measurement shows the same result, one or two thyristors located
in that path are faulty; they need to be replaced.
Thyristor power controllers size T1 … T4 (20 A ... 740 A), with +S500
Thyristor power controllers, with +S500. Internal semiconductor fuses are included.
The thyristor power controller must be disconnected from the mains.
Fault Tracing Thyristors
3ADW000449R0101 DCT880 Service Manual e a

Table of Contents

Related product manuals