EasyManua.ls Logo

ABB EasyLine EL3020 - Page 27

ABB EasyLine EL3020
136 pages
Print Icon
To Next Page IconTo Next Page
To Next Page IconTo Next Page
To Previous Page IconTo Previous Page
To Previous Page IconTo Previous Page
Loading...
Preparation for Installation 27
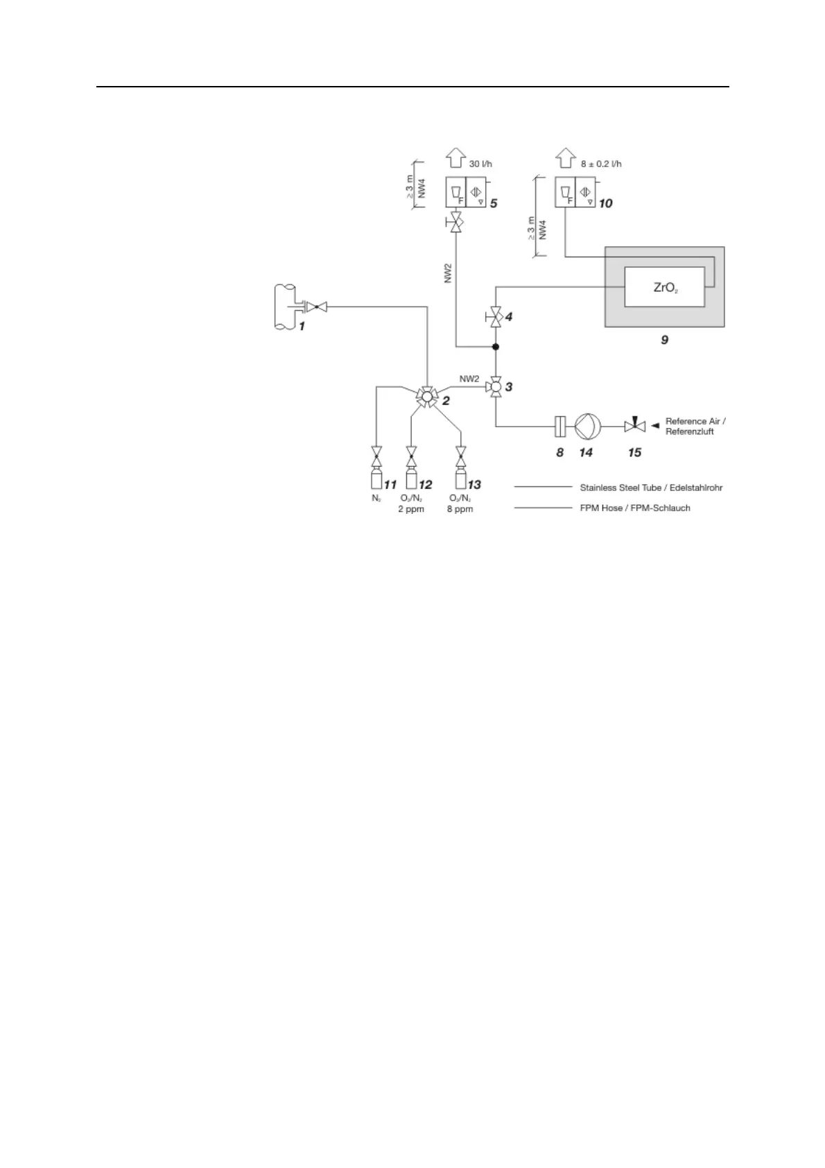
Example of sample conditioning
1
Sampling point with primary shut-off valve
2
Multi-way ball valve
3
3/2-way ball valve
1)
4
Fine-control valve
5
Flowmeter with needle valve and alarm contact
6
2-way ball valve
1)
7
2-way ball valve
1)
8
Air filter
1)
9
Gas analyzer
10
Flowmeter without needle valve, with alarm contact
11
Purge gas cylinder with N
2
1)
12
Test gas cylinder with e.g. 2 ppm of O
2
in N
2
2)
13
Test gas cylinder with 8 ppm O
2
in N
2
1)
14
Pump
1)
15
Needle valve
1)
1) Option
2) A hard-mounted test gas cylinder is normally adequate.
The annual check of the reference point can also be carried out with
a non-stationary air supply.

Table of Contents

Other manuals for ABB EasyLine EL3020

Related product manuals