EasyManua.ls Logo

ABB EBN853 - Page 24

ABB EBN853
46 pages
Print Icon
To Next Page IconTo Next Page
To Next Page IconTo Next Page
To Previous Page IconTo Previous Page
To Previous Page IconTo Previous Page
Loading...
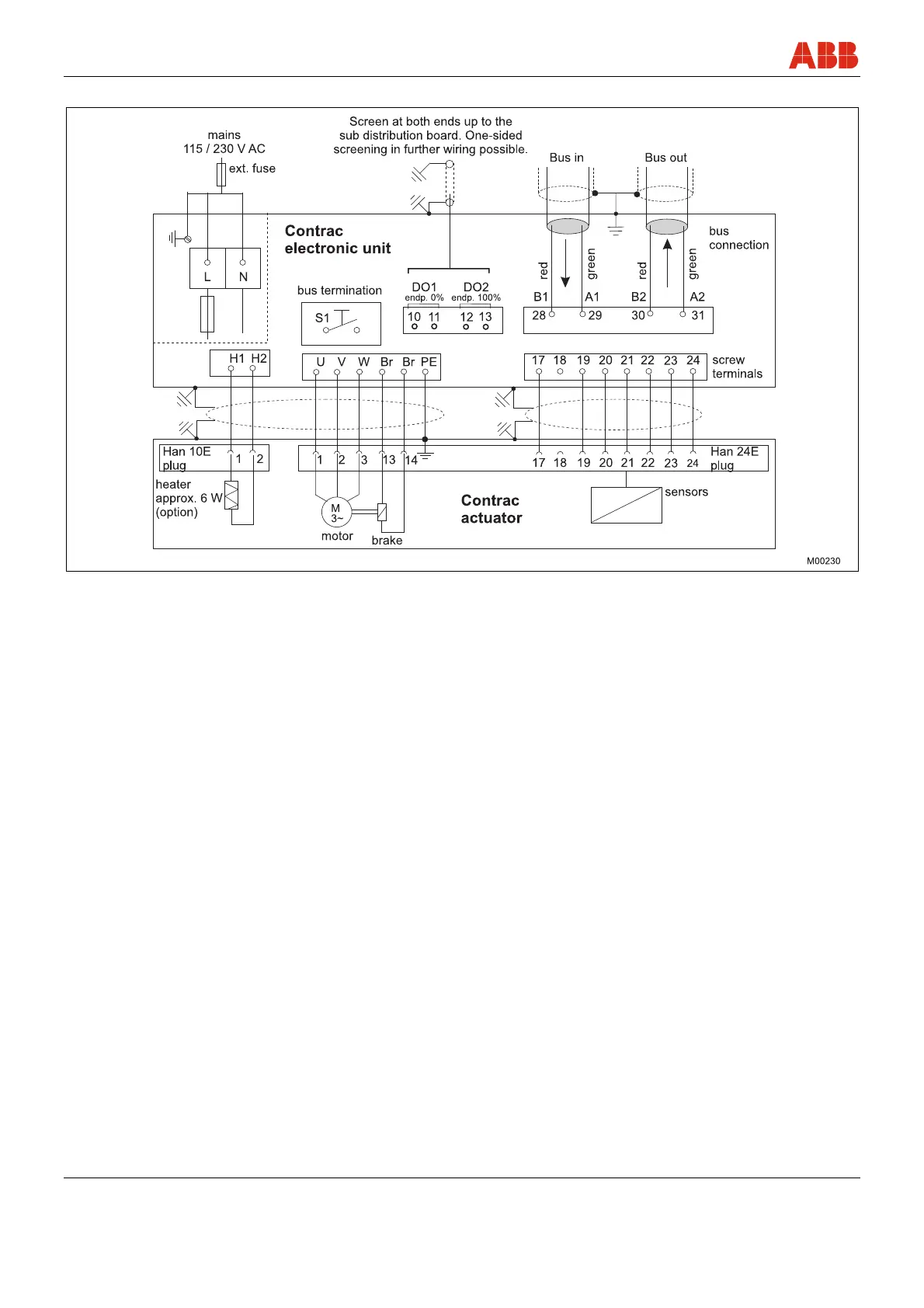
Electrical connections
24 OI/PME/LME/EAN823/EBN853/EBN861-EN
4.4.2.2 PROFIBUS DP
Fig. 15

Table of Contents

Other manuals for ABB EBN853

Related product manuals