EasyManua.ls Logo

ABB LLT100 - Powering On the Instrument

ABB LLT100
68 pages
Print Icon
To Next Page IconTo Next Page
To Next Page IconTo Next Page
To Previous Page IconTo Previous Page
To Previous Page IconTo Previous Page
Loading...
10 User Guide | OI-LLT100-EN Rev. D
LLT100
Laser level transmitter
3.5 Powering on the instrument
Once the LLT100 has been connected, you energize it by
turning on the power source.
Before turning on the power source, check the following:
Covers’ installation
Locking screws tightness
Process connections
Electrical connections
The LLT100 can then be put into operation.
NOTICE
Brief interruptions in power supply will result in
initialization of the electronics (the embedded software
restarts).
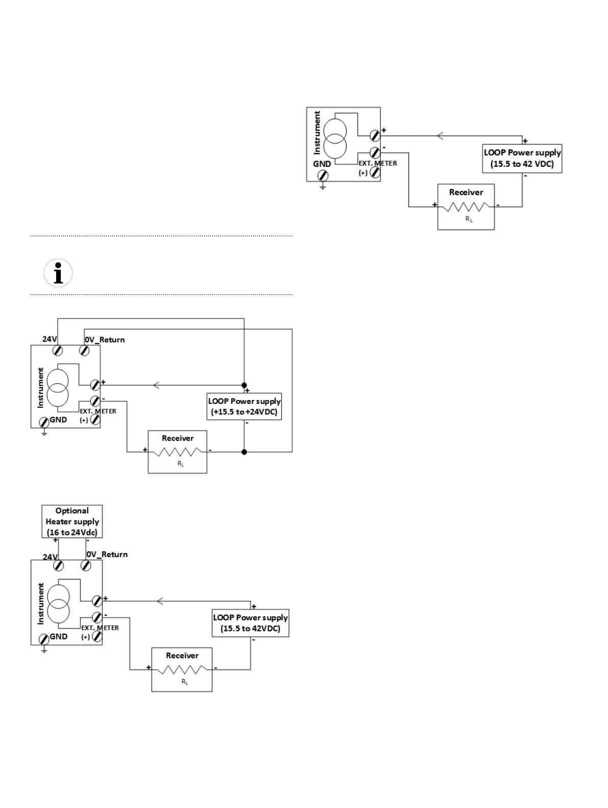
3.5.1 Typical connections
Figure 6 2 + 2 wires
Figure 7 2 + 2 wires (with heater option)
Figure 8 2 wires

Table of Contents

Other manuals for ABB LLT100