EasyManua.ls Logo

Adastra A4-PLUS - Page 3

Adastra A4-PLUS
10 pages
Print Icon
To Next Page IconTo Next Page
To Next Page IconTo Next Page
To Previous Page IconTo Previous Page
To Previous Page IconTo Previous Page
Loading...
A4-PLUS User Manual
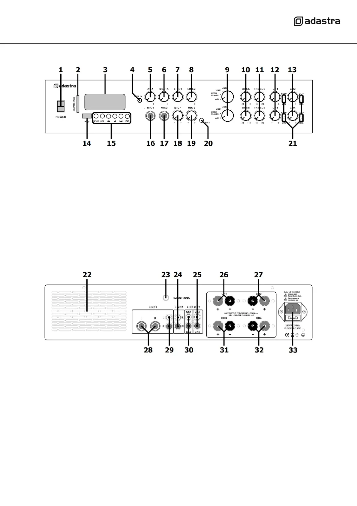
Front panel
1.
Power on/off switch
12.
Channel 1 / 3 output level control
2.
SD card slot
13.
Channel 2 / 4 output level control
3.
Media player display
14.
USB port
4.
3.5mm stereo Aux input
15.
Media player control panel
5.
Aux input volume control
16.
Mic 1 input 6.3mm jack
6.
Media player volume control
17.
Mic 2 input 6.3mm jack
7.
Line 1 input volume control
18.
Mic 1 volume control
8.
Line 2 input volume control
19.
Mic 2 volume control
9.
Stereo input selector
20.
Talkover on/off button
10.
Bass EQ control
21.
Output Signal & Clip indicators
11.
Treble EQ control
Rear panel
22.
Ventilation grille (do not obstruct airflow)
28.
Line 1 input (L+R 6.3mm jack)
23.
FM antenna connection (F type)
29.
Line 1 input (L+R RCA)
24.
Line 2 input (L+R RCA)
30.
Line output Ch1+Ch2
25.
Line output Ch3+Ch4
31.
Channel 3 speaker output +/- 4mm posts
26.
Channel 1 speaker output +/- 4mm posts
32.
Channel 4 speaker output +/- 4mm posts
27.
Channel 2 speaker output +/- 4mm posts
33.
IEC mains inlet & fuse holder

Related product manuals