EasyManua.ls Logo

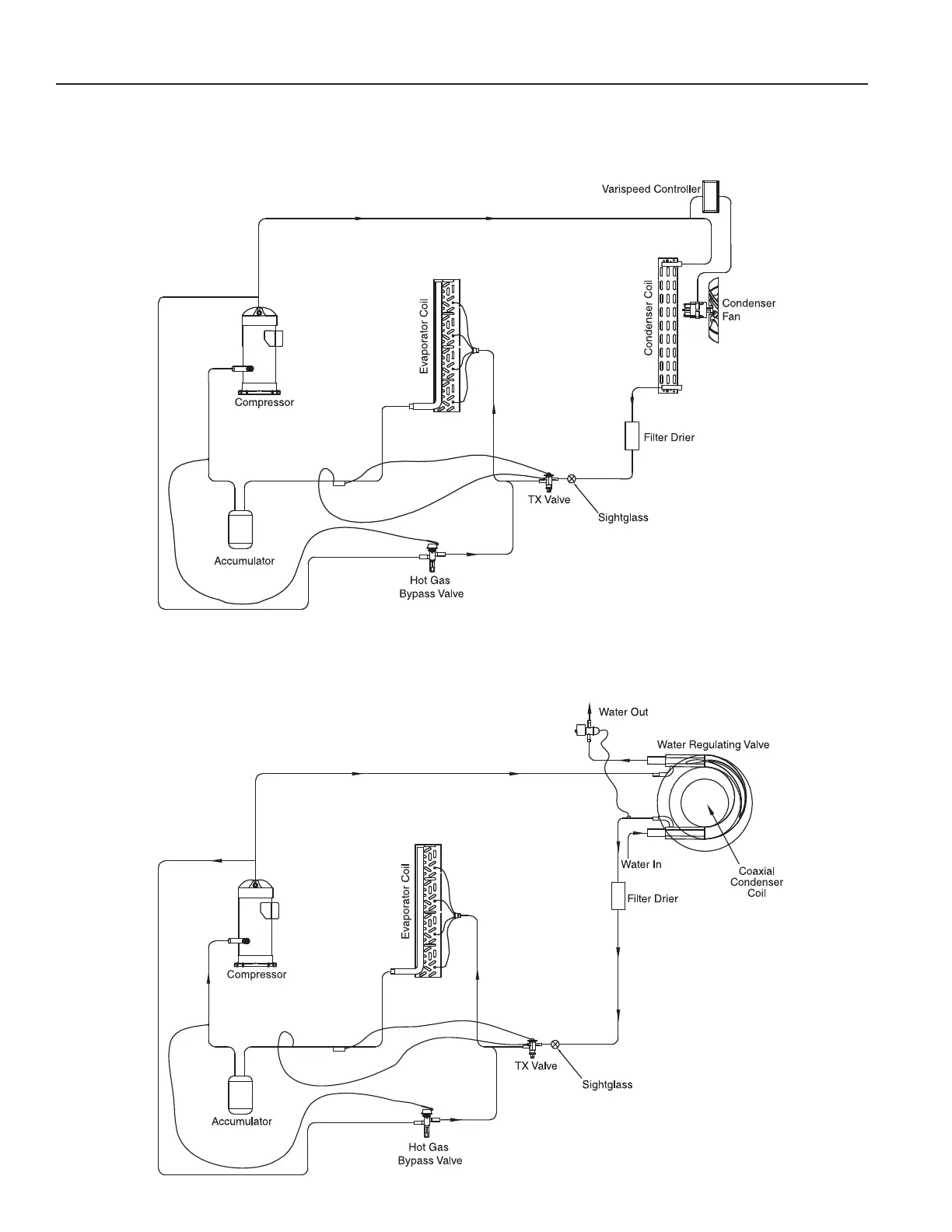
Addison PR Series - Figure 7: Circuit Diagram for Standard Compressor

Addison PR Series
84 pages
Print Icon
To Next Page IconTo Next Page
To Next Page IconTo Next Page
To Previous Page IconTo Previous Page
To Previous Page IconTo Previous Page
Loading...
Page 24 of 84
Figure 7: Circuit Diagram for Standard Compressor with Hot Gas Bypass and
No Hot Gas Reheat (PRRA Units Only)
PR Series Installation, Operation, and Maintenance Manual

Table of Contents

Related product manuals