EasyManua.ls Logo

Addison PR Series - Figure 11: Circuit Diagram for Digital Compressor

Addison PR Series
84 pages
Print Icon
To Next Page IconTo Next Page
To Next Page IconTo Next Page
To Previous Page IconTo Previous Page
To Previous Page IconTo Previous Page
Loading...
Page 28 of 84
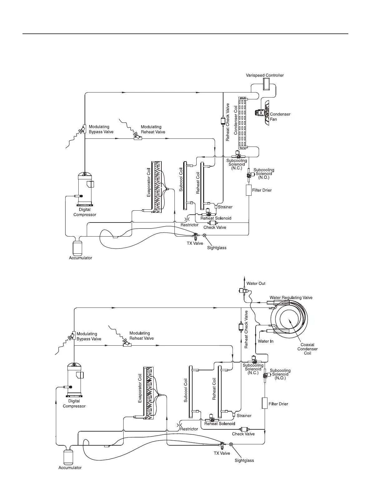
Figure 11: Circuit Diagram for Digital Compressor with Modulating Hot Gas Reheat,
and Subcooling
PR Series Installation, Operation, and Maintenance Manual

Table of Contents

Related product manuals