EasyManua.ls Logo

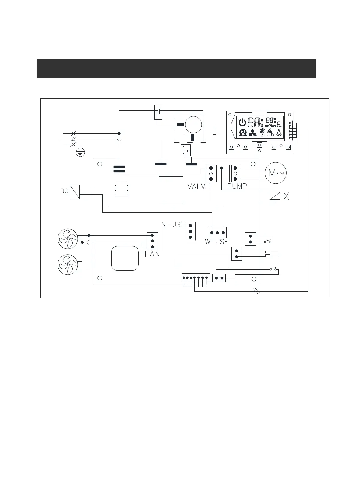
Adexa HZB-30F - Wiring Diagram; Electrical Diagram for Ice Maker

Default Icon
25 pages
Print Icon
To Next Page IconTo Next Page
To Next Page IconTo Next Page
To Previous Page IconTo Previous Page
To Previous Page IconTo Previous Page
Loading...
23
MCU
Room Temp
Sensor
T1
Water Level
Switch
RELAY
COMP
AC-L
N
Power Supply
L
G
AC-N
Ice-harvest
Solenoid Valve
6C
Electrical Diagram
for Ice-maker
T1
Ice-Full
Detecting Switch
DC Fan for
Condenser
RT
WATER
ICE
AC Pump
Starting
Relay
M
~
AW
MW
Overload
Protector
COMPRSSOR
Main PCB
Control panel PCB
Main Water Supply
Control Valve
W
IRING DIAGRAM