EasyManua.ls Logo

Adrenaline Crazy Tower Arcade - Discontinued Coin & Ticket Wiring

Adrenaline Crazy Tower Arcade
51 pages
Print Icon
To Next Page IconTo Next Page
To Next Page IconTo Next Page
To Previous Page IconTo Previous Page
To Previous Page IconTo Previous Page
Loading...
Crazy Tower Arcade Manual V7.1
Chapter 08 Diagrams & Schematics
45 | P a g e
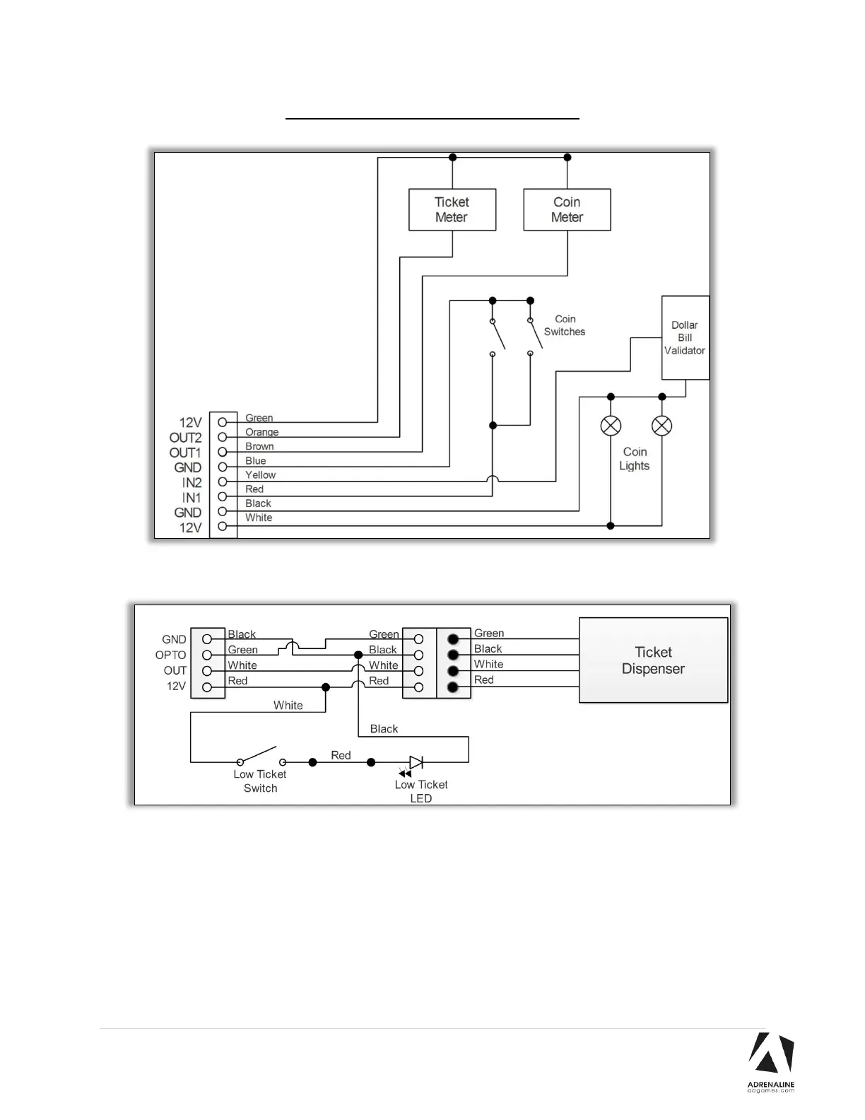
Coins & Ticket Wiring Version 1 (Discontinued)

Related product manuals