EasyManua.ls Logo

Adrenaline Crazy Tower Arcade - Coin & Ticket Wiring

Adrenaline Crazy Tower Arcade
51 pages
Print Icon
To Next Page IconTo Next Page
To Next Page IconTo Next Page
To Previous Page IconTo Previous Page
To Previous Page IconTo Previous Page
Loading...
Crazy Tower Arcade Manual V7.1
Chapter 08 Diagrams & Schematics
44 | P a g e
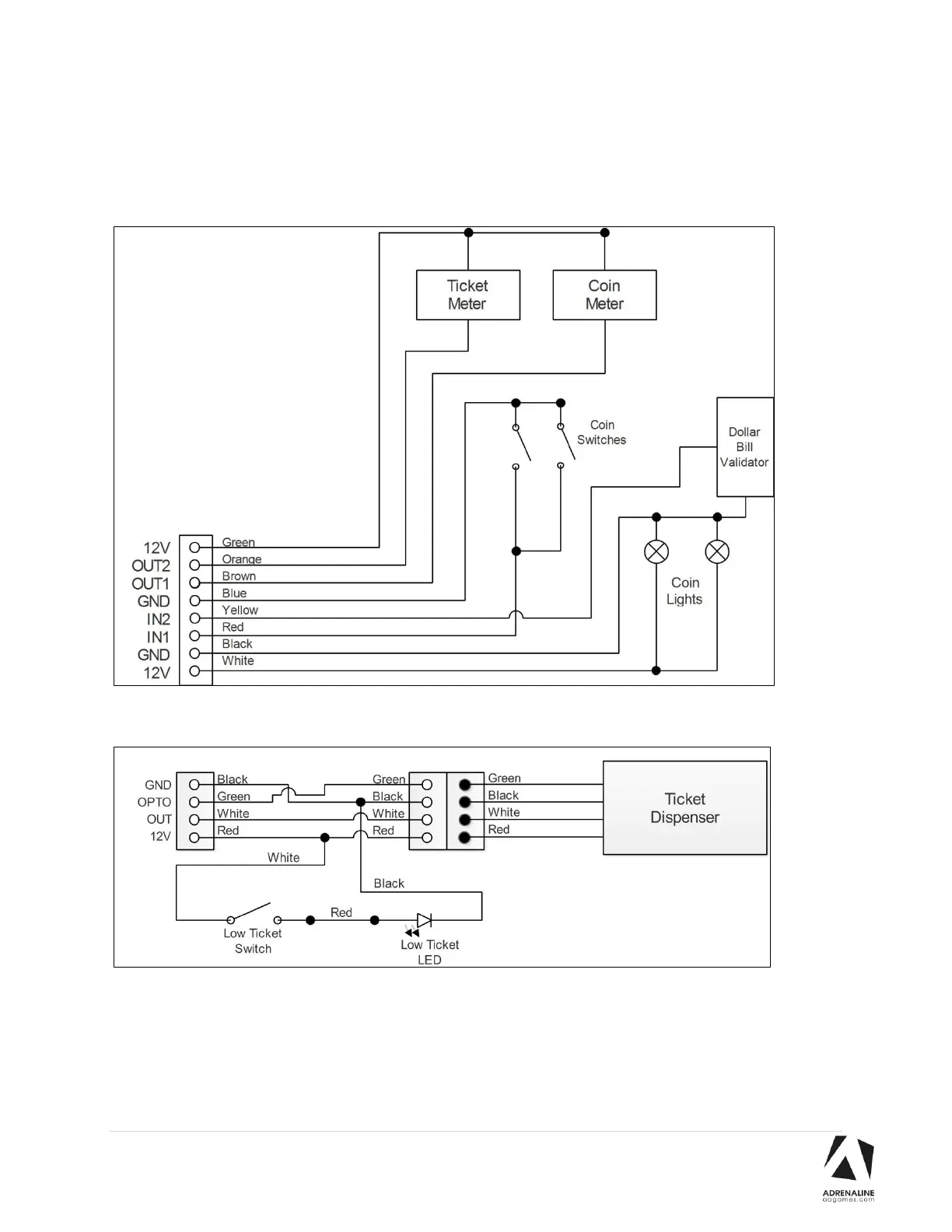
Coins & Ticket Wiring
The wiring is the same for each player. The difference is that Player-1 (Drawer) uses harness CZT-03-0006 while
Players-2-3-4 uses harness CZT-03-0005.

Related product manuals