EasyManua.ls Logo

Aercus WeatherRanger - Mount Weather Station

Aercus WeatherRanger
55 pages
Print Icon
To Next Page IconTo Next Page
To Next Page IconTo Next Page
To Previous Page IconTo Previous Page
To Previous Page IconTo Previous Page
Loading...
Aercus Instruments - WeatherRanger® 12 | P a g e
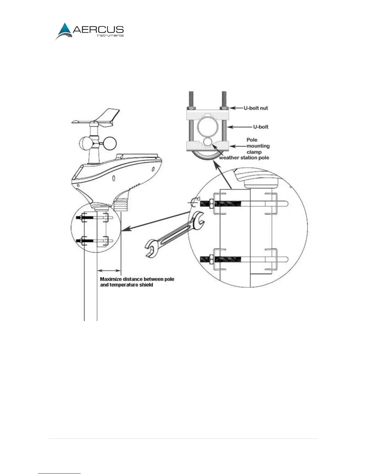
3.3.4 Mount Weather Station
Fasten the mounting pole to a suitable pole or fence with the two U-bolts, mounting pole brackets and
nuts, as shown in Figure 7. Make sure your mounting pole is as far away from the temperature sensor as
possible, as shown in Figure 7.
Figure 7
If you do not have a suitable pole or fence to attach the sensor array to or you wish to mount the sensor
array to a flat surface you may need to purchase an additional mount such as a Hockey Stick Mount for
mounting to a flat vertical surface or a Tripod Mount for ground or roof mounting (see Figures 8a and
8b below).

Related product manuals