EasyManua.ls Logo

AERMEC ANK050 H - System Example

AERMEC ANK050 H
48 pages
Print Icon
To Next Page IconTo Next Page
To Next Page IconTo Next Page
To Previous Page IconTo Previous Page
To Previous Page IconTo Previous Page
Loading...
EN
11_11. 6755532_02
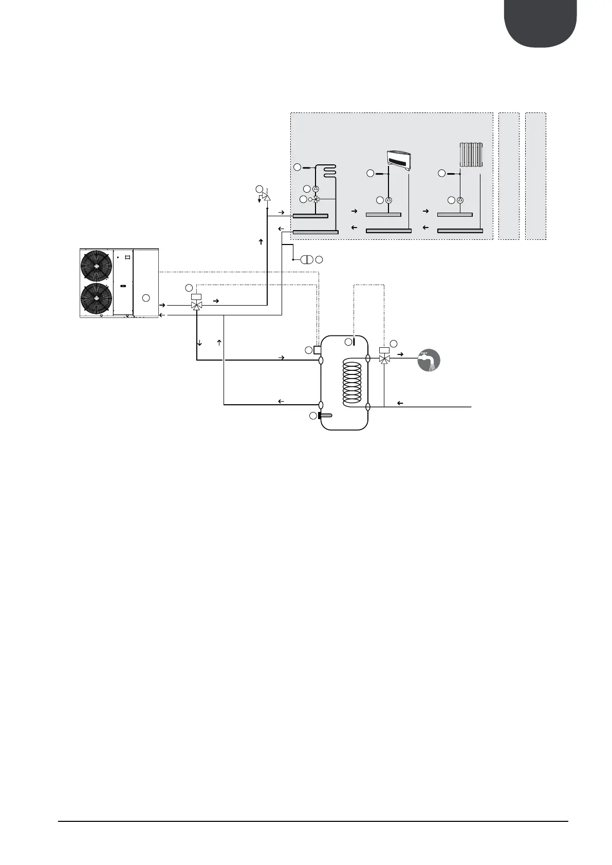
Unità ANK HA Unit;
2 - DIVERTER 3-way valve;
3 - Expansion vessel;
4 - Safety valve;









V3V
VT
2
4
5
6
7
3
8
9
10
11
zona 1 zona 2
M
6
7
6
7
zona 3
1
 
 


Table of Contents

Related product manuals