EasyManua.ls Logo

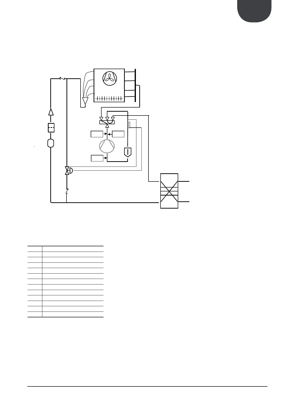
AERMEC ANK050 H - Principle of Operation Diagrams Cooling

AERMEC ANK050 H
48 pages
Print Icon
To Next Page IconTo Next Page
To Next Page IconTo Next Page
To Previous Page IconTo Previous Page
To Previous Page IconTo Previous Page
Loading...
EN
11_11. 6755532_02
 

 Compressor
HPT High pressure transducer
HPS High pressure switch
 Low pressure switch
 4-way cycle reverse valve
 Coil
 One-way valves
 Orifice
F Dehydrator filter
 Storage liquid
TEV Thermostatic valve
 Plate exchanger
V Fan/s
H
O 

H


TEV
F
CV
compressore
valvola
inversione
CV
MF
FS
BHE
CO
acc
umulo
liquido
pompa
HPSHPT
LPT
EV
LS
CP
AL
VIC
CN

Table of Contents

Related product manuals