EasyManua.ls Logo

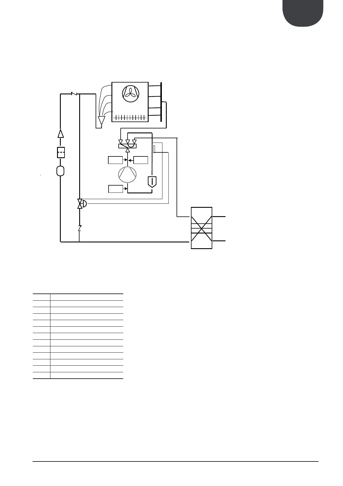
AERMEC ANK050 HA - Cooling Operation Diagrams

AERMEC ANK050 HA
48 pages
Print Icon
To Next Page IconTo Next Page
To Next Page IconTo Next Page
To Previous Page IconTo Previous Page
To Previous Page IconTo Previous Page
Loading...
EN
11_11. 6755532_02
 

 Compressor
HPT High pressure transducer
HPS High pressure switch
 Low pressure switch
 4-way cycle reverse valve
 Coil
 One-way valves
 Orifice
F Dehydrator filter
 Storage liquid
TEV Thermostatic valve
 Plate exchanger
V Fan/s
H
O 

H


TEV
F
CV
compressore
valvola
inversione
CV
MF
FS
BHE
CO
acc
umulo
liquido
pompa
HPSHPT
LPT
EV
LS
CP
AL
VIC
CN

Table of Contents

Related product manuals