EasyManua.ls Logo

AERMEC TA 09 - Page 55

AERMEC TA 09
72 pages
Print Icon
To Next Page IconTo Next Page
To Next Page IconTo Next Page
To Previous Page IconTo Previous Page
To Previous Page IconTo Previous Page
Loading...
55
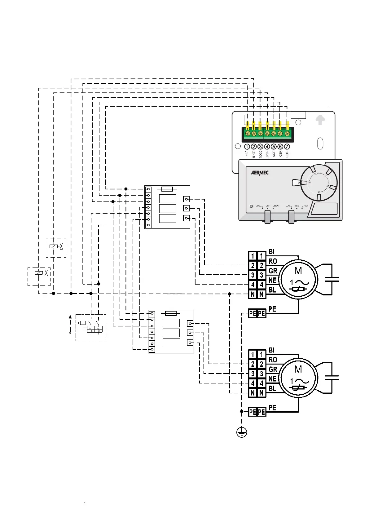
V1
V2
V3
V1
V2
V3
L
N
N
PH
SIT3
F
2A
INPUT
OUTPUT
PE
LN
230V 50Hz
IG
VF
VC
MAX
MED
MIN
V1
V2
V3
V1
V2
V3
L
N
N
PH
SIT3
F
2A
INPUT
OUTPUT
MAX
MED
MIN
TA 11 - 15 E TDA15 - 21 E WMT10