EasyManua.ls Logo

AERMEC TA 09 - Page 57

AERMEC TA 09
72 pages
Print Icon
To Next Page IconTo Next Page
To Next Page IconTo Next Page
To Previous Page IconTo Previous Page
To Previous Page IconTo Previous Page
Loading...
57
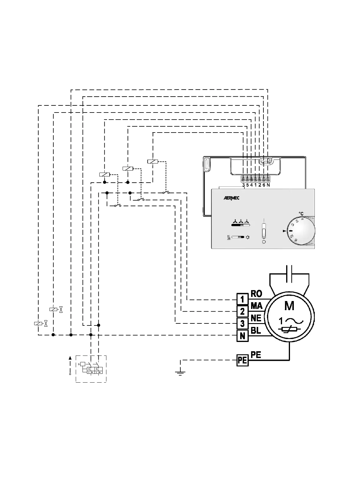
TA19 - 24 CON WMT06 E MOTORE CMC
PE
LN
230V 50Hz
IG
KA1
KA2
KA3
VC
VF
MAX
MED
MIN