EasyManua.ls Logo

AeroWorks edge 540 - Exploded Drawings - Part A; Exploded Drawing A

Default Icon
36 pages
Print Icon
To Next Page IconTo Next Page
To Next Page IconTo Next Page
To Previous Page IconTo Previous Page
To Previous Page IconTo Previous Page
Loading...
34
1
6
8
12
5
2
4
9
11
14
16
13
15
17
32
25
24
27
27
31
34
38
39
33
33
37
46
48
44
47
51
54
56
59
63
66
68
65
62
11
67
69
72
76
73
75
77
80
88
85
89
90
92
92
91
95
95
95
97
105
106
107
129
136
136
132
132
104
99
132
144
122
99
140
135
144
144
104
104
129
132
104
104
104
104
104
142
104
52
50
104
104
146
104
104
137
137
104
104
104
148
104
127
3
134
10
123
7
29
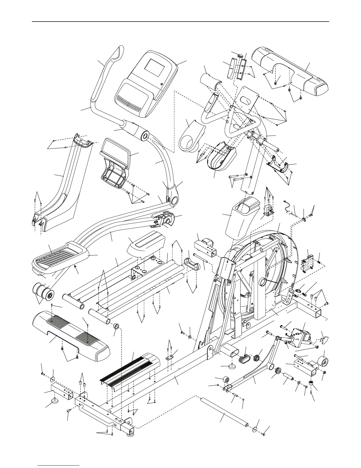
EXPLODED DRAWING A
Model No. PFEL29914.0 R1114A

Related product manuals